(株)ナベヤ

ゆりかごセット イケールタイプ YSI160-400PAS1

  • 型番:YSI160-400PAS1
  • 発注コード:V6F07
  • メーカー商品コード:136591
  • JANコード:4904115886572
商品一覧へ
(サイズ・色違いなど)

仕切価格
標準価格 ¥425,000
 
注文単位 1式
  • ※3/03 23:30 時点の情報です


用途
商品説明
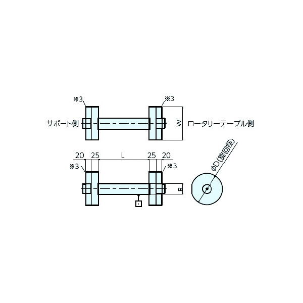
  • 多面にワークを取り付け、多数個取に適しています。
  • 多工程ワークにも向いています。
商品スペック
  • 材質(ブラケット):S45C
  • 材質(プレート):S50C
注意事項
内容品・付属品
原産国
特記事項

この商品を見た人はこちらの商品も見ています