(株)ナンシン

ナンシンロック NR-3CH-3

  • 型番:NR-3CH-3
  • 発注コード:D3O18
  • メーカー商品コード:NR-3CH-3
  • JANコード:―
商品一覧へ
(サイズ・色違いなど)

仕切価格
標準価格 ¥5,770
 
注文単位 1個
  • ※3/15 23:20 時点の情報です

※4/1に下記価格に改定予定です

仕切価格
標準価格 ¥6,070

用途 ●運搬台車、キャスターが付いた各種機材。
商品説明
  • 適度なロックで暴走を防ぎ、優れた耐震性を有します。
  • スプリングクッションにより、製品の重量にかかわらず、一定の力で確実に路面をグリップします。ロック・リリースの際、製品にショックを与えません。
  • キャスターがどの位置にあってもストッパーの操作パネルを探す必要がありません。ロックペダルリリースが独立している為、操作が安全・確実です。
商品スペック
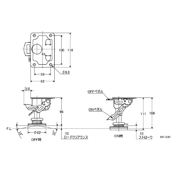
  • 適性取付高H(mm):106
  • ON高H1(mm):111
  • OFF高H2(mm):96
  • ストロークS(mm):15
  • ロードクリアランスS1(mm):10
  • 取付ピッチA×B(mm):100×56
  • 取付プレートX×Y(mm):118×82
  • フットプレート径R(mm):62
  • 取付穴径P(mm):8.8
  • ペダル長L(mm):(23)
  • 押し圧力(daN):約20
  • 推奨キャスター:THN-75
  • 取付け高さ(mm):106以上
  • RoHS:対応
注意事項
  • 適正取付高:「ON高(ロックをかけた時の高さ)」から、スプリングクッションの縮み代(約mm)を差し引いた高さです。
  • 押し圧力:スプリングクッションが床を押し付ける強さです。
内容品・付属品
原産国
特記事項

この商品を見た人はこちらの商品も見ています