日東工器(株)

クリップ25 ALN-CL-25-M8

  • 型番:ALN-CL-25-M8
  • 発注コード:BZS20
  • メーカー商品コード:84989
  • JANコード:4992338849894
商品一覧へ
(サイズ・色違いなど)

仕切価格
標準価格 \520
 
注文単位 1個
  • ※1/30 23:30 時点の情報です

※3/1に下記価格に改定予定です

仕切価格
標準価格 \990

用途 ●アルミパイプ取付け用。
商品説明
  • パイプを全ねじなどで吊り下げる際に使用します。
  • クリップは1.5m(最大)間隔で使用してください。
商品スペック
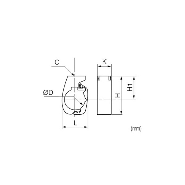
  • ΦD(mm):25
  • C(mm):M8×1.25
  • H1(mm):46
  • H(mm):67
  • K(mm):30
  • L(mm):35
  • 質量(g):20
  • 種類:クリップ
注意事項
  • 全ねじW3/8とクリップの接続には異径高ナットが必要になります。
内容品・付属品
原産国
特記事項

この商品を見た人はこちらの商品も見ています