 
                 
                | 仕切価格 | ― | 
|---|---|
| 標準価格 | \194,000 | 
| 注文単位 | 1個 | 
|---|
※10/30 23:30 時点の情報です
| 用途 | ●非鉄金属用。 | 
|---|---|
| 商品説明 | ― | 
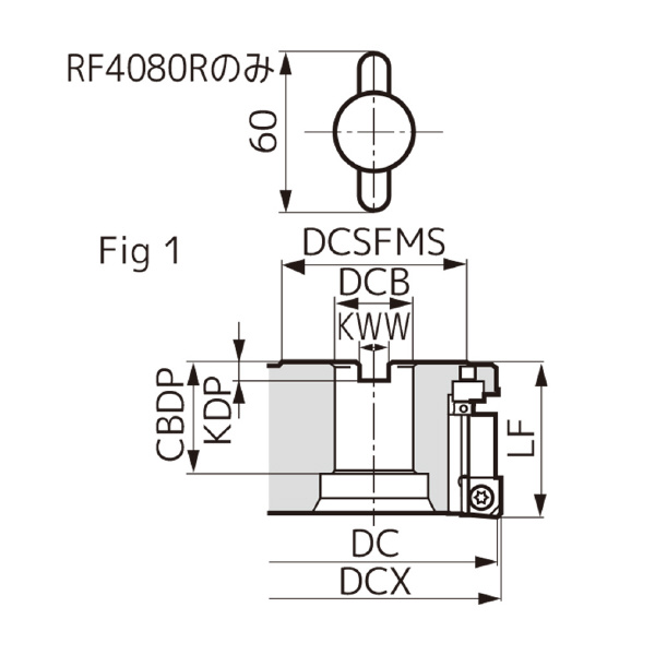
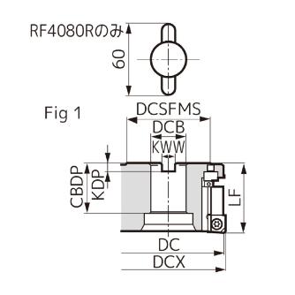
| 商品スペック | 
 | 
| 注意事項 | 
 | 
| 内容品・付属品 | ●カバー:RFC●位置決め駒:RFS●キャップスクリュー:BX0620(10.0N・m)●セットスクリュー:BTD0510(3.0N・m)●皿ねじ:FBUP2-A0-8●アジャスト:RFJ●皿ねじ:BFTX0509N(5.0N・m)●レンチ:TH050、TH025、RFT●レンチ:TTX20 | 
| 原産国 | ― | 
| 特記事項 | ― |