住友電気工業(株)

SEC-溝入れバイト ホルダ GWCR2525-3

  • 型番:GWCR2525-3
  • 発注コード:TXC41
  • メーカー商品コード:2600196
  • JANコード:―
商品一覧へ
(サイズ・色違いなど)

仕切価格
標準価格 \15,100
 
注文単位 1個
  • ※10/30 23:30 時点の情報です


用途 ●外径浅溝入れ用。
商品説明
  • ダブルクランプで高剛性(ミニバイト用はスクリューオン)
  • 三角タイプインサートで3コーナー使用可能
  • ブレーカ付インサートを在庫化
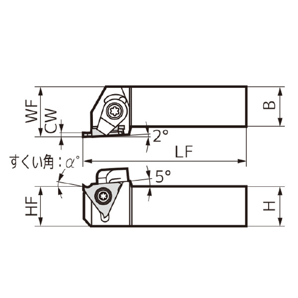
商品スペック
  • 最大溝深さ(mm):0.8~2.5
  • シャンク高(mm):25
  • シャンク幅(mm):25
  • 全長(mm):150
  • 刃先距離(mm):30
  • クランプ方式:ダブルクランプ
  • 勝手[記号]:右[R]
  • 加工用途:外径溝入れ
  • 溝幅(mm):0.33~2.80
  • 適用インサート:角溝用TGA/丸溝用TGA
  • Fig:1
  • 刃先高さ(HF):25
  • 適合番号:1
注意事項
  • サーメット製インサートの推奨締付けトルクは4N・mです。
  • 右勝手(R)のホルダには右勝手(R)のインサートが適合します。
  • 右勝手(R)のホルダには左勝手の押え金(CCM○□L)、右勝手のダブルねじ(WB○-2○T)が適合します。
内容品・付属品 ●皿ねじ:BFTX0409N(3.4N・m)●レンチ:TRX15●押え金:CCM6BL●ダブルねじ:WB6-20T(5.0N・m)●レンチ:LT20
原産国
特記事項

この商品を見た人はこちらの商品も見ています