住友電気工業(株)

SEC-溝入れバイト ホルダ GWCL2020-15

  • 型番:GWCL2020-15
  • 発注コード:TXC28
  • メーカー商品コード:2600183
  • JANコード:―
商品一覧へ
(サイズ・色違いなど)

仕切価格
標準価格 \13,100
 
注文単位 1個
  • ※10/30 23:30 時点の情報です


用途 ●外径浅溝入れ用。
商品説明
  • ダブルクランプで高剛性(ミニバイト用はスクリューオン)
  • 三角タイプインサートで3コーナー使用可能
  • ブレーカ付インサートを在庫化
商品スペック
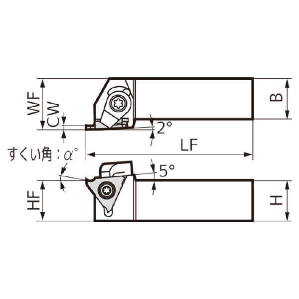
  • 最大溝深さ(mm):2
  • シャンク高(mm):20
  • シャンク幅(mm):20
  • 全長(mm):125
  • 刃先距離(mm):25
  • クランプ方式:ダブルクランプ
  • 勝手[記号]:左[L]
  • 加工用途:外径溝入れ
  • 溝幅(mm):1.00~1.45
  • 適用インサート:角溝用TGA/丸溝用TGA
  • Fig:4
  • 刃先高さ(HF):20
  • 適合番号:2
注意事項
  • サーメット製インサートの推奨締付けトルクは4N・mです。
  • 左勝手(L)のホルダには右勝手の押え金(CCM○□R)、左勝手のダブルねじ(WB○-2○TL)が適合します。
内容品・付属品 ●皿ねじ:BFTX0511N(5.0N・m)●レンチ:TRX20●押え金:CCM8UR●ダブルねじ:WB8-22TL(5.0N・m)●レンチ:LT27
原産国
特記事項

この商品を見た人はこちらの商品も見ています