ダイキン工業(株)

デセラレーション付絞り弁 SFD-T02L-10

  • 型番:SFD-T02L-10
  • 発注コード:SGT50
  • メーカー商品コード:SFD-T02L-10
  • JANコード:―
商品一覧へ
(サイズ・色違いなど)

仕切価格
標準価格 ¥51,900
 
注文単位 1個
  • ※4/30 23:30 時点の情報です


用途
商品説明
  • 温度補償付きのため、油温が変化しても、設定した流量は一定に保たれます。
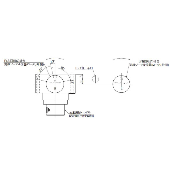
  • テーブルの移動方向、及び配管方向に合わせて機種が選べます。
  • 早送り→遅送り→早戻しの工程が制御できます。
商品スペック
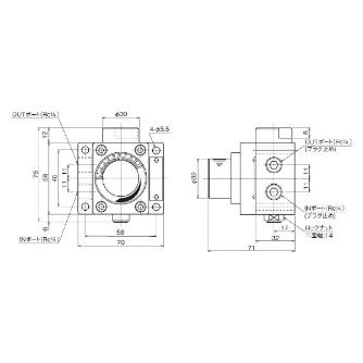
  • 種類:Sシリーズデセラレーション付絞り弁
  • 接続方法:ねじ接続形
  • 呼び径:1/4
  • 適合流体:石油系作動油/水・グリコール系作動油
  • デザイン番号:10
  • デセラレーション作動方式:時計回転(右回転)でロータリ弁閉
  • 最高使用圧力(MPa[kgf/cm2]):5[50]
  • 自由流れ(L/min):12
  • 流量調整範囲(L/min):0.1~2
  • チェック弁クラッキング圧力(MPa[kgf/cm2]):0.1[1]
  • 質量(kg):1.5
注意事項
  • 10μm以下のラインフィルタを併用してください。
内容品・付属品
原産国
特記事項

この商品を見た人はこちらの商品も見ています