カトウ工機(株)

ダイスコレット TC2035-DH75

  • 型番:TC2035-DH75
  • 発注コード:N4I88
  • メーカー商品コード:TC-0744
  • JANコード:―
商品一覧へ
(サイズ・色違いなど)

仕切価格
標準価格 \56,300
 
注文単位 1個
  • ※11/30 23:20 時点の情報です


用途
商品説明
  • 丸ダイス専用コレット。
  • 安全装置のないタイプ。
  • 汎用旋盤での加工に最適。
  • 本体との脱着がクイックチェンジ。
  • 狭い空間や段際干渉がある場合に最適。
  • 高価なロングタップが不必要。
  • 超硬タップは把握力が低下し、抜けやすくなります。
商品スペック
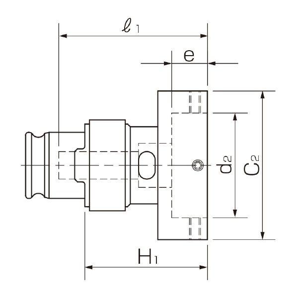
  • コレット外径(mm):95
  • コレット長さ(mm):84
  • オネジ加工可能範囲:M30~M35
  • ダイス径d2×幅e(mm):75×25
  • 加工長さl1(mm):52
  • 型:TC-DH
  • 仕様:412の本体に取付け可能
  • 重量(kg):0.96
注意事項
  • HA-M-OHC型には使用不可能。
  • 取扱い上のご注意:製品のお持ち運び時やケースからの取り出し時には、飛出し・落下にはご注意下さい。梱包数の多い場合や重量物ホルダ等は、取扱いに十分ご注意下さい。必要に応じて運搬器具をご使用下さい。1週間に1度程度、給油等のメンテナンスを実施して下さい。
  • 刃物取り付け・取り外し時のご注意:刃物は必ずプリセッタや締付治具で確実に固定して作業を行って下さい。刃物をホルダ等に取り付ける場合は、切れ刃を直接素手で、触れないようご注意下さい。刀物締付け用スパナは、スパナ掛け部に確実に取り付けて、安全のため、ゆっくりと締め付けて下さい。ハンマー等でたたくなどの増締め行為はしないで下さい。
内容品・付属品 ●取扱説明書
原産国
特記事項

この商品を見た人はこちらの商品も見ています