ダイキン工業(株)

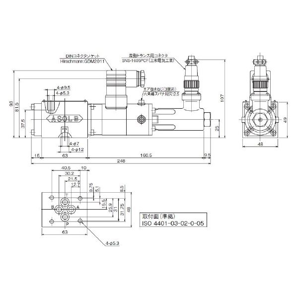
ダイレクト形電磁比例絞り弁 LEM-G02-F-20-G

  • 型番:LEM-G02-F-20-G
  • 発注コード:HKD26
  • メーカー商品コード:LEM-G02-F-20-G
  • JANコード:―
商品一覧へ
(サイズ・色違いなど)

仕切価格
標準価格 ¥192,000
 
注文単位 1個
  • ※5/14 23:30 時点の情報です


用途
商品説明
  • 比例ソレノイドでスプールを直接駆動し、その変位を差動トランスで検出し、スプール位置のフィードバック制御を行う比例絞り切換弁です。
  • 圧力補償弁と専用ドライバとの組み合わせにより、高精度の比例流量制御を行うことができます。
  • LEMS弁は、スタック取付形で、専用の減圧形圧力補償弁(MGS)と組み合わせ、電磁操作弁の下にスタック取付することにより、Pポートのメータイン制御、またはTポートのメータアウト制御が高精度で比例流量制御できます。
商品スペック
  • 種類:電磁比例絞り弁
  • 接続方法:ガスケット取付形
  • 呼び径:1/4
  • 適合流体:石油系作動油
  • スプール作動方式:スプリングオフセット形
  • スプール形式:スプリングオフセット形 中立時オールポートブロック
  • オプション記号:SOL.a付(P→A流れ)
  • デザイン番号:20
注意事項
  • タンク、ドレン配管は、他のタンク配管と合流せず、直接タンクへ接続してください。
  • 差動トランスの零点調整ねじは、出荷時に調整済みですので、さわらないでください。
内容品・付属品 ●六角穴付ボルト(M5×45)×4
原産国
特記事項

この商品を見た人はこちらの商品も見ています