サンドビック(株)

コロドリル400 【C】 400.4-0850-050A1-NM N1DU

  • 型番:400.4-0850-050A1-NM N1DU
  • 発注コード:F5O36
  • メーカー商品コード:7323223845030
  • JANコード:―
商品一覧へ
(サイズ・色違いなど)

仕切価格
標準価格 \211,000
 
注文単位 1個
  • ※12/13 23:20 時点の情報です

※1/1に下記価格に改定予定です

仕切価格
標準価格 \219,000

用途
商品説明
商品スペック
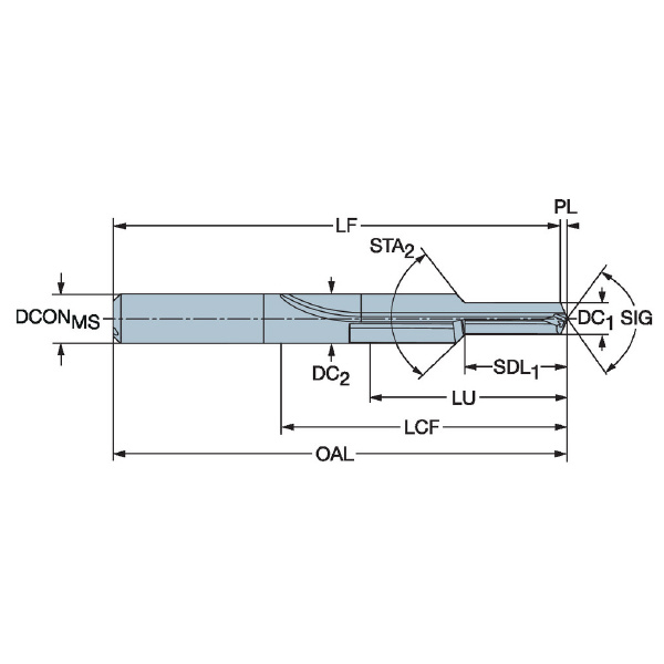
  • 適応インターフェース(機械側)ADINTMS:Cylindrical shank (DIN6535-HA) -metric: 12
  • クーラントインレットスタイルCNSC:4: axial concentric entry on circle
  • 工具径DC1(mm):8.5
  • 工具径DC2(mm):12
  • 接続径DCONMS(mm):12
  • 材種GRADE:N1DU
  • 機能長さLF(mm):123.31
  • 使用可能長さLU(mm):50
  • 全長OAL(mm):125
  • 最大回転速度RPMX(1/min):50000
  • 先端角SIG(°):135
  • 加工穴公差TCHA:H9
  • 被削材:アルミ合金
  • 重量WT(kg):0.096
注意事項
内容品・付属品
原産国 アメリカ合衆国
特記事項

この商品を見た人はこちらの商品も見ています