住友電気工業(株)

ドリルチップ GDXT050203P-L ACP2000

  • 型番:GDXT050203P-L ACP2000
  • 発注コード:BKHBA
  • メーカー商品コード:1AT7028
  • JANコード:―
商品一覧へ
(サイズ・色違いなど)

仕切価格
標準価格 \1,330
 
注文単位 10個
  • ※11/02 23:20 時点の情報です


用途 ●切りくず処理用
商品説明
  • 中心刃と外周刃で個別最適化されたインサートです。優れた切削バランスと切りくず排出性を実現。安定性を大幅に向上し、最大L/D=7の深穴加工に対応しました。
商品スペック
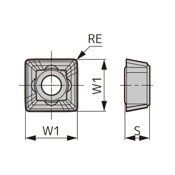
  • 厚さ(mm):2.58
  • 幅(mm):5.1
  • コーナー半径(mm):0.3
  • 刃種類:外周刃
  • コーティング:ACP2000
  • 給油方式:内部給油式
  • 適用ホルダ:GDX型2D~7D用(GDXH155D○S20-05~GDXH180D○S25-05)
注意事項
内容品・付属品
原産国
特記事項

この商品を見た人はこちらの商品も見ています