(株)日研工作所

大型CNC円テーブル CNC1201FA

  • 型番:CNC1201FA
  • 発注コード:1OX59
  • メーカー商品コード:CNC1201FA
  • JANコード:―
商品一覧へ
(サイズ・色違いなど)

仕切価格
標準価格
 
注文単位 1個
  • ※12/15 23:30 時点の情報です


用途
商品説明
  • ウォームシステム内蔵で抜群の耐摩耗性を誇り、超高精度・超剛性です。
  • ウォームギア:特製鋼を特殊焼入+歯面にイオンナイトロ処理。滑り摩耗の難問題を解決。大幅に耐久性UP。
  • 大型CNC円テーブルシリーズです。
商品スペック
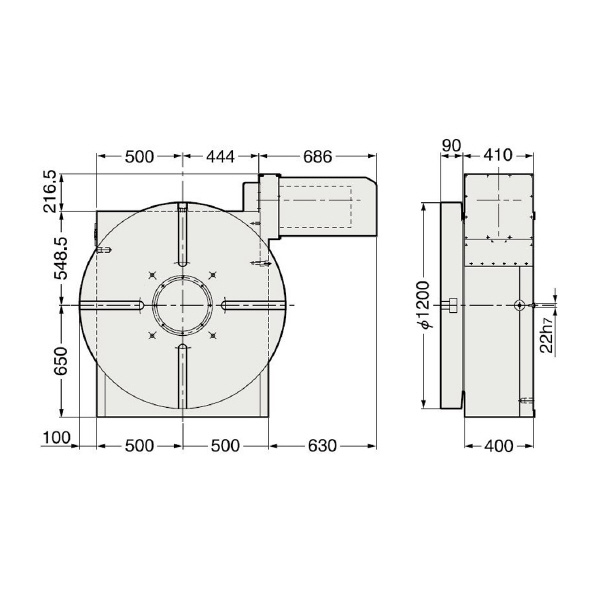
  • テーブル直径(mm):1200
  • センタハイト(mm):650
  • クランプ方式:油圧(3.5MPa)
  • クランプトルク(N・m):1800
  • 割出精度(s):±3(累積)[高精度]・15(累積)[標準]
  • 最高回転速度(min-1):2.7
  • 減速比:1/720
  • スピンドル穴径(φmm):300H7
  • テーブルT溝巾(mm):22H7
  • 最小設定単位:0.001度
  • 使用モータ回転数(min[[の-1乗]]):αiF30/3000、2000
注意事項
  • 大型円テーブルの場合、用途に応じて仕様が大きく異なります。
  • ロータリエンコーダ付高精度仕様のときは貫通穴は使用できません。
  • T溝なしが標準で、T溝巾付はオプションです。T溝巾は参考値です。
  • アプリケーションにより減速比は異なります。
  • 外観寸法は、取付けるサーボモータにより異なります。記載はFANUCモータ付のものを表示しています。
  • 記載重量は水平時の質量です。立置用のイケールの質量は含んでおりません。
  • ヨーロッパ向け輸出品に関してはCEマークが必要となりますので、発注時に"CEマーク対応"とご指示ください。
内容品・付属品
原産国
特記事項

この商品を見た人はこちらの商品も見ています