日東工器(株)

セミコンカプラ 6P-304 SUS FKM

  • 型番:6P-304 SUS FKM
  • 発注コード:1OH25
  • メーカー商品コード:52346
  • JANコード:4992338523466
商品一覧へ
(サイズ・色違いなど)

仕切価格
標準価格 \15,920
 
注文単位 1個
  • ※1/30 23:30 時点の情報です

※3/1に下記価格に改定予定です

仕切価格
標準価格

用途 ●半導体製造設備用。●おねじ取付用。
商品説明
  • 高純度薬品用。
  • 本体およびスプリングに、ステンレス鋼(SUS304)を採用。さらに電解研磨処理を施して耐食性能を高めています。
  • シール材にゴムを使用した汎用型。
  • シール材は流体・用途に合わせて選択自在。半導体製造工程にフレキシブルに対応します。
  • ノーグリース仕様なので、シール材にはグリースを塗布していません。
  • 各部品はすべて洗浄し、クリーンルーム内で組立、検査および包装を行っています。
  • プラグにはキャップが標準装備されています。
商品スペック
  • 商品タイプ:プラグ
  • バルブ構造:両路開閉型
  • 最高使用圧力(MPa{kgf/cm2}):0.2{2}
  • 使用温度範囲(℃):0~+50
  • 本体材質:ステンレス鋼(SUS304・電解研磨処理(SPE))
  • 適用流体:高純度薬品、水、各種工業ガス、空気
  • シール材質:ふっ素ゴム
  • 推奨最大締付トルク(N・m):90
  • 推奨最大締付トルク(kgf・cm):918
  • 質量(g):216
  • 耐圧力(MPa{kgf/cm2}):0.3{3}
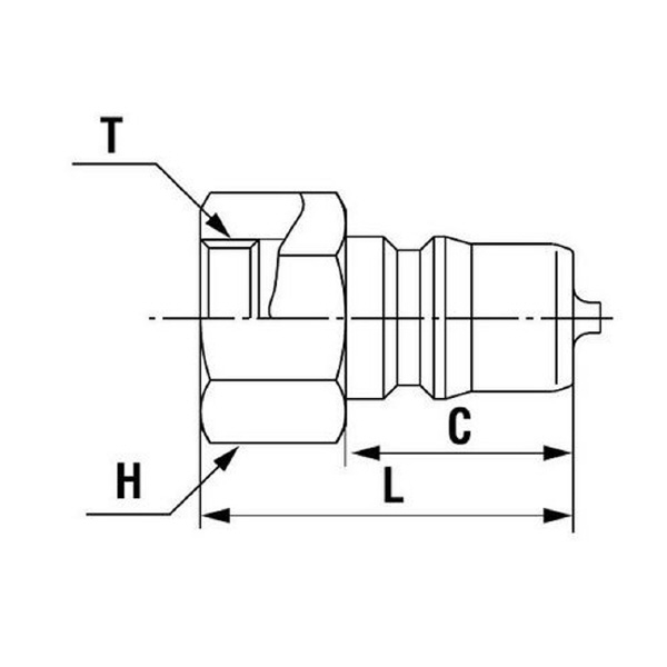
  • C(mm):36
  • H(mm):六角35
  • L(mm):52
  • T:Rc3/4
  • 備考:標準材質
  • 表示記号:FKM
  • 容器容量(L):100~200用
注意事項
  • 使用可能な温度範囲は、使用条件によって異なります。
  • 互換性:製品型式の最初の数字が同じであれば、取付形状にかかわらず接続できます。
内容品・付属品
原産国
特記事項

この商品を見た人はこちらの商品も見ています