ダイキン工業(株)

手動比例切換弁 MHV12KLFH6C75-H

  • 型番:MHV12KLFH6C75-H
  • 発注コード:16V53
  • メーカー商品コード:MHV12KLFH6C75-H
  • JANコード:―
商品一覧へ
(サイズ・色違いなど)

仕切価格
標準価格
 
注文単位 1個
  • ※3/15 23:20 時点の情報です


用途
商品説明
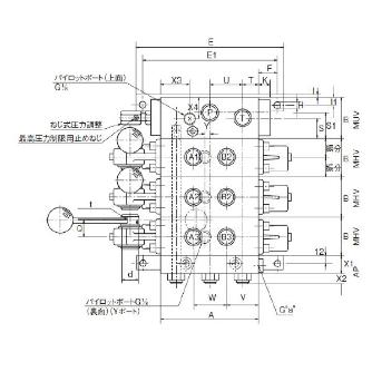
  • バイパス形圧力補償機能付の比例流量特性を有するスタック形の手動マルチプルコントロール弁です。
  • 負荷圧力の変化に対応してポンプ圧力が変わります。この圧力でポンプの余剰流は、タンクへバイパスします。
  • A、Bポート個々に流量を制御することができます。
  • 8連まで使用することができ、切換弁シンボルは、11形式あります。
  • 切換弁中立アンロード機能を有し、リリーフ弁を内蔵しています。
商品スペック
  • 種類:手動比例切換弁
  • 呼び径:1/2(ポート)
  • スプール形式:[C]スプール形式表参照
  • オプション:最大流量調整ねじ付
  • リターンスプリング:スプリングセンタ形/スプリングオフセット形
  • スプール差圧(MPa{kgf/cm2}):0.6{6}
  • レバー取付位置:弁取付面側
  • 最高使用圧力(MPa{kgf/cm2}):21{210}
  • 取付形式:スタック形
  • 定格流量:[75]定格流量表参照
注意事項
  • 最大流量調整ねじ付は、ノースプリング形(制動機構付)には対応できません。
  • 継手は、平行ねじを使用してください。テーパねじを使用すると弁に歪みが生じて、作動不良の原因になります。
  • 配管は、単独でタンクに接続してください。途中で合流させる場合は、口径を大きくしてください。
内容品・付属品
原産国
特記事項

この商品を見た人はこちらの商品も見ています