カネテック(株)

マグネットフィルタ/サニタリ PCMH2-D20A

  • 型番:PCMH2-D20A
  • 発注コード:YIM19
  • メーカー商品コード:1081910000
  • JANコード:4544554819108
商品一覧へ
(サイズ・色違いなど)

仕切価格
標準価格 \1,130,000
 
注文単位 1個
  • ※12/15 23:30 時点の情報です


用途 ●全周溶接のため、食品、特に細菌の繁殖を嫌う用途に最適です。●マグネットOFF状態でのロックが可能なためマグネット部を外さずに洗浄を行いたいラインに適合します。
商品説明
  • 手動によるON/OFF切替が可能(マグネット棒1本毎の抜き差しで、ON/OFF操作が軽くなりました)。
  • マグネット棒(二重管パイプ)の埋め込み部は全周溶接してバフ仕上げされていますので衛生的です。
商品スペック
  • 表面磁束密度(T(G)):0.8(8000)[最大]
  • 使用環境温度上限(℃):80
  • 材質:SUS304
  • 質量(kg):13
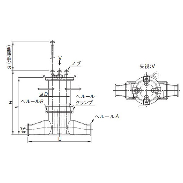
  • 外形寸法A(mm):2S
  • 外形寸法B(mm):4 1/2S
  • 外形寸法D(mm):114
  • 外形寸法d(mm):47.8
  • 外形寸法H(mm):336
  • 外形寸法h(mm):299
  • 外形寸法L(mm):330
  • 外形寸法S(mm):153
  • 仕上:#400バフ仕上
  • 使用マグネット棒材質:SUS304
  • 使用マグネット棒装着本数:4
  • 実用耐圧限度(kPa(kgf/cm2)):500(5)
  • 対象流体粘度上限(参考)(mPa・s(cP)):1.5×10の4乗(1.5×10の4乗)
注意事項
内容品・付属品
原産国
特記事項

この商品を見た人はこちらの商品も見ています