住友電気工業(株)

カッタチップ SEKN53MT ACP100

  • 型番:SEKN53MT ACP100
  • 発注コード:WWZ88
  • メーカー商品コード:14GZ587
  • JANコード:―
商品一覧へ
(サイズ・色違いなど)

仕切価格
標準価格 \2,240
 
注文単位 10個
  • ※12/15 23:30 時点の情報です

※1/1に下記価格に改定予定です

仕切価格
標準価格 \2,400

用途 ●高速・軽切削加工用
商品説明
  • 鋼の高速加工用。
  • 高速切削に対応する耐摩耗性重視の材種。
商品スペック
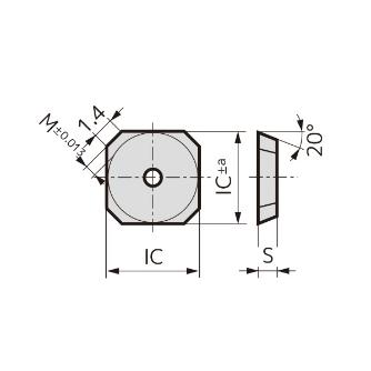
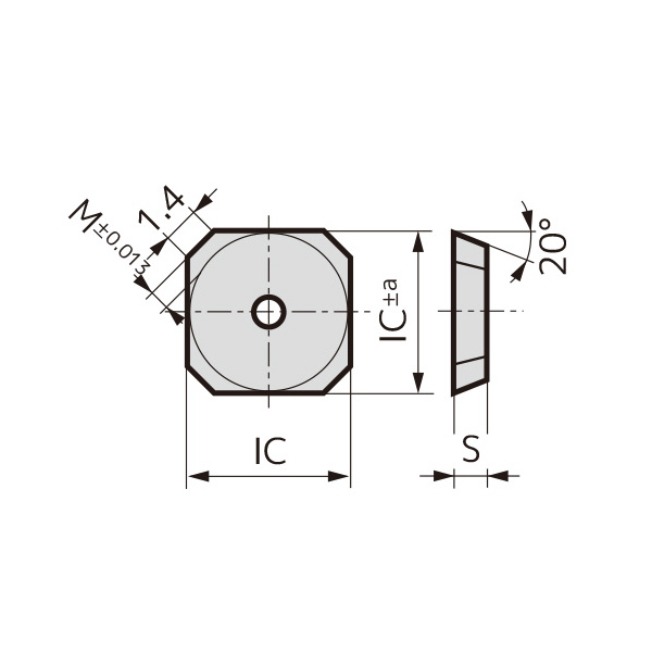
  • インサート形状[記号]:正方形[S]
  • 頂角(°):90
  • 逃げ角[記号](°):20[E]
  • インサート厚さ[記号](mm):4.76
  • 厚さ許容差(mm):±0.025
  • 内接円IC(mm):15.875
  • 内接円許容差(mm):±0.05~±0.15
  • M(mm):1.4±0.013
  • 材質(コーティング):(ACP100)
  • 被削材:鋼
  • Fig:3
注意事項
内容品・付属品
原産国
特記事項

この商品を見た人はこちらの商品も見ています