岡﨑精工(株)

コバルトソー CMS46380X2.5X45-P5 廃番

  • 型番:CMS46380X2.5X45-P5
  • 発注コード:WJA21
  • メーカー商品コード:CMS46-P05
  • JANコード:―
商品一覧へ
(サイズ・色違いなど)

仕切価格
標準価格
 
注文単位 1個
  • ※11/01 23:20 時点の情報です


用途
商品説明
  • MCO工具
  • 切断加工用
  • ホモ処理:溶着防止に効果があります。
商品スペック
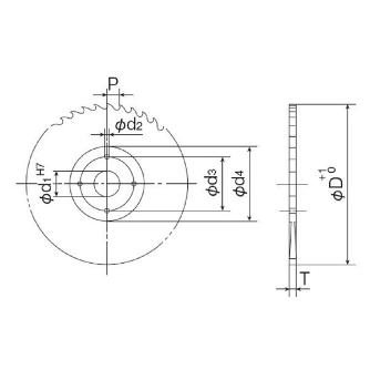
  • 製品略号:CMS
  • 寸法 刃径D:380
  • 寸法 厚みT:2.5
  • 寸法 穴径d1:45
  • 寸法 ピンホール(d3)×(d2)×(個数):66×11×4
  • ピッチ:5
  • 表面処理:ホモ処理品
  • 適応機種:高速電機(KOSOKU)KCM-380
注意事項
  • <特記事項>>【画像注意事項】コバルトソー ホモ処理品CMSシリーズ画像です。
内容品・付属品
原産国
特記事項

この商品を見た人はこちらの商品も見ています