(株)ミツトヨ

マイクロメータヘッド MHF2-1A 110-105-10

  • 型番:MHF2-1A 110-105-10
  • 発注コード:VUW77
  • メーカー商品コード:110-105-10
  • JANコード:4946368861500
商品一覧へ
(サイズ・色違いなど)

仕切価格
標準価格 ¥31,700
 
注文単位 1個
  • ※4/30 23:30 時点の情報です

※7/1に下記価格に改定予定です

仕切価格
標準価格 ¥33,600

用途
商品説明
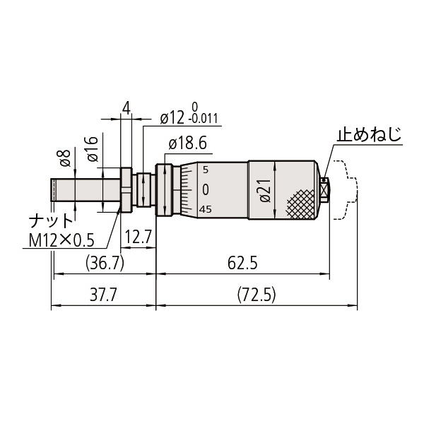
  • 0.05mmリードの"極"微動が可能な高機能モデルです。2重スピンドルの作動機構を有しており、極めて細かい位置決めが可能です。
商品スペック
  • 測定範囲(mm):0~1
  • 目量(mm):0.001
  • ステム形状:ナット付き
  • 先端形状:平面(超硬合金チップ付き)
  • 目盛仕様:正目盛
  • 最大許容誤差(μm):±3(広範囲)/±1.5(狭範囲)
  • 測定面材質:【材質】超硬合金チップ/【硬度】90HRA以上/ラップ仕上げ
  • 目盛部表面処理:硬質クロムメッキ
注意事項
内容品・付属品
原産国 日本
特記事項

この商品を見た人はこちらの商品も見ています