ダイキン工業(株)

モータポンプ M15A1X-1-110-1RE

  • 型番:M15A1X-1-110-1RE
  • 発注コード:VQJ12
  • メーカー商品コード:M15A1X-1-110-1RE
  • JANコード:―
商品一覧へ
(サイズ・色違いなど)

仕切価格
標準価格 ¥625,000
 
注文単位 1個
  • ※3/15 23:20 時点の情報です


用途
商品説明
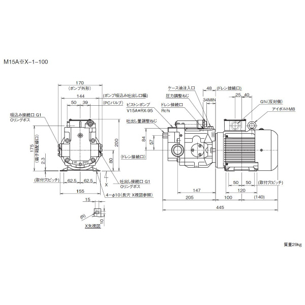
  • Vシリーズピストンポンプと電動機を一体にしたモータポンプです。
商品スペック
  • 商品タイプ:Mシリーズモータポンプ
  • ポンプ容量(cm3/rev):14.8(V15)
  • 圧力調整範囲(MPa):0.8~7
  • 制御方式:プレッシャコンペンセータ制御/リモートコントロール制御無
  • 適合流体:石油系作動油
  • 配管接続方向:サイドポート
  • ポンプ形式:M15
  • 端子箱位置:右(ポンプ側から見て)
  • 電圧仕様(V):200(50/60Hz)/220(60Hz)
  • 電動機出力(kW):0.75
  • 塗装色:ダイキン標準色
注意事項
  • リモートコントロール制御用リリーフ弁は、JR-G(T)02、JRP-G02 を推奨します。ベント接続口をブロックすると、プレッシャーコンペーセータ機構は作動せず、固定ポンプ状態になります。
内容品・付属品
原産国
特記事項

この商品を見た人はこちらの商品も見ています