住友電気工業(株)

SEC-ウェーブミル エンドミル WEZR11040E4432Z03

  • 型番:WEZR11040E4432Z03
  • 発注コード:V8N38
  • メーカー商品コード:2900AJU
  • JANコード:―
商品一覧へ
(サイズ・色違いなど)

仕切価格
標準価格 \175,000
 
注文単位 1個
  • ※11/01 23:20 時点の情報です


用途 ●隅削り・溝・側面加工
商品説明
商品スペック
  • 商品タイプ:柄付きタイプ
  • 切込み角(°):90
  • 最大切込み量(mm):19~61
  • すくい角・軸方向(°):8~14
  • すくい角・半径方向(°):-15~-11
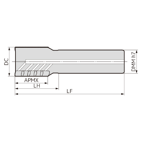
  • 刃径(mm):40
  • 最大切込み量(mm):44(43)
  • シャンクDMM(mm):32
  • 頭部LH(mm):60(59.7)
  • 全長(mm):150(149.7)
  • 刃数(枚):15・3(有効)
  • 段数:5
  • Fig:2
  • 重量(kg):0.87
  • 被削材:P(一般鋼◎/調質鋼・ダイス鋼◎)・M(ステンレス鋼◎)・K(鋳鉄◎)・N(銅合金◎)・S(Ti合金◎)
  • エンドミル適用加工:隅削り◎/溝◎/側面◎
  • 部品・皿ねじ:BFTX0306IP
  • 部品・皿ねじ(N・m):1.5
  • 部品・レンチ:TRDR08IP
  • 部品・焼付防止剤:SUMI-P
注意事項
  • 本体にインサートは組み込んでありません。
  • APMX、LH、LFの( )内寸法は、RE=3.0/3.2のインサートを使用時の寸法です。
内容品・付属品
原産国
特記事項

この商品を見た人はこちらの商品も見ています