三菱マテリアル(株)

カッタ 肩削り用(アーバタイプ) VOX400-200C20R

  • 型番:VOX400-200C20R
  • 発注コード:UXG50
  • メーカー商品コード:VOX400-200C20R
  • JANコード:―
商品一覧へ
(サイズ・色違いなど)

仕切価格
標準価格 \326,000
 
注文単位 1個
  • ※12/15 23:30 時点の情報です


用途
商品説明
  • インサートを縦置きに配置し、極めて高い剛性を実現。
  • 8コーナの使用が可能で経済的。
  • 「凸曲線切れ刃」&「ねじれ逃げ面」より、良好な切れ味と驚異的な耐欠損性を発揮。
商品スペック
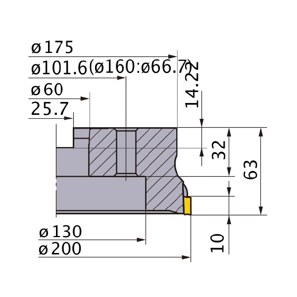
  • 刃径(mm):200
  • 最大切込み量(mm):10
  • 機能長(mm):63
  • 切込み角(°):90
  • すくい角(°):-18(半径方向)・-6(軸方向)
  • 勝手[記号]:右[R]
  • 刃数(枚):20(外周)
  • 接続径(mm):60
  • 質量WT:8.1
  • L8:14.22
  • アクセス穴径 (ボルト穴径)DAH:18
  • キー溝幅KWW:25.7
  • ボルト穴ピッチ径DBC:101.6
  • 取付けボルト座径DCCB:130
  • 取付けボルト座厚さLCCB:30.3
  • 取付け穴深さCBDP:32
  • 接触面の径, フランジ径DCSFMS:175
  • 長さ単位:M
注意事項
  • 実際の製品と画像(代表例)は異なる場合がございます。詳しくは寸法をご確認ください。
内容品・付属品
原産国
特記事項

この商品を見た人はこちらの商品も見ています