ダイキン工業(株)

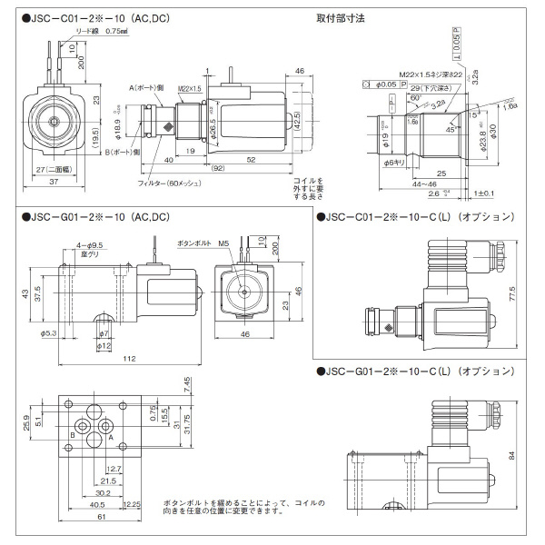
シート形電磁操作弁 JSC-G01-2P-10-C

  • 型番:JSC-G01-2P-10-C
  • 発注コード:UWN14
  • メーカー商品コード:JSC-G01-2P-10-C
  • JANコード:―
商品一覧へ
(サイズ・色違いなど)

仕切価格
標準価格 \57,500
 
注文単位 1個
  • ※11/01 23:20 時点の情報です


用途
商品説明
  • シート形電磁操作弁です。
  • 長時間、加圧使用しても流体固着現象がありません。
商品スペック
  • 種類:Jシリーズシート形電磁操作弁
  • 接続方法:ガスケット取付形
  • 呼び径:1/8
  • 適合流体:石油系作動油
  • 電圧記号:[P]ソレノイド記号表参照
  • オプション:DINコネクタ(ランプ無)
  • デザイン番号:10
  • 最高使用圧力(MPa{kgf/cm2}):25{250}
注意事項
内容品・付属品 ●六角穴付ボルト(M5×45)×4本
原産国
特記事項

この商品を見た人はこちらの商品も見ています