ダイキン工業(株)

モジュラースタック形絞り弁 MT-02W-55-32

  • 型番:MT-02W-55-32
  • 発注コード:USW89
  • メーカー商品コード:MT-02W-55-32
  • JANコード:―
商品一覧へ
(サイズ・色違いなど)

仕切価格
標準価格 \51,700
 
注文単位 1個
  • ※12/15 23:30 時点の情報です


用途
商品説明
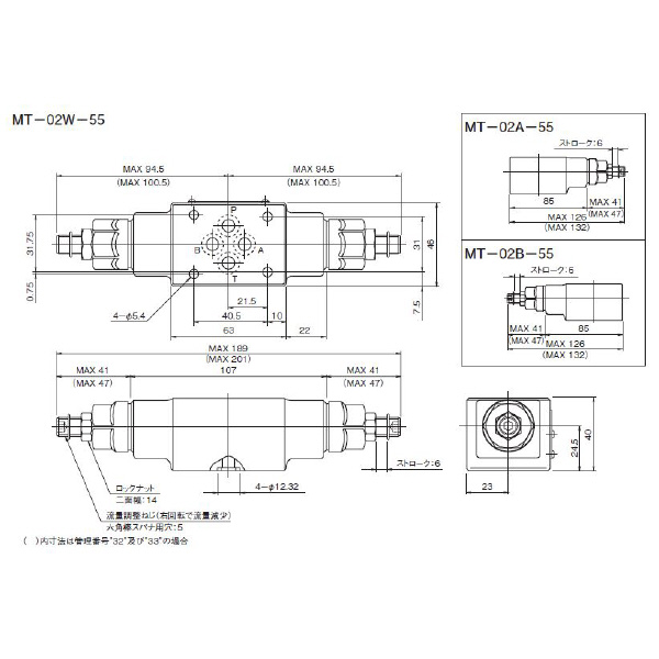
  • 02シリーズスタック形のA・Bポート絞り弁です。
商品スペック
  • 種類:モジュラースタック形絞り弁
  • 呼び径:1/4
  • 適合流体:石油系作動油、水・グリコール系作動油
  • オプション記号:流量調整ねじ形
  • デザイン番号:25MPa(250kgf/cm2)シリーズ
  • 管理番号(小流量域制御形):制御流量14L/min(差圧:2MPa{20kgf/cm2}時)
  • 制御ポート:A・Bポート
  • 制御方式:メータアウト制御
注意事項
  • 流量調整ねじを完全に締め込んだ状態でも、流量は零にはなりません。
内容品・付属品
原産国
特記事項

この商品を見た人はこちらの商品も見ています