住友電気工業(株)

SEC-ウェーブミル カッタ WGC3080R

  • 型番:WGC3080R
  • 発注コード:UIU18
  • メーカー商品コード:2200047
  • JANコード:―
商品一覧へ
(サイズ・色違いなど)

仕切価格
標準価格 \52,900
 
注文単位 1個
  • ※11/01 23:20 時点の情報です


用途 ●平面削り用。
商品説明
商品スペック
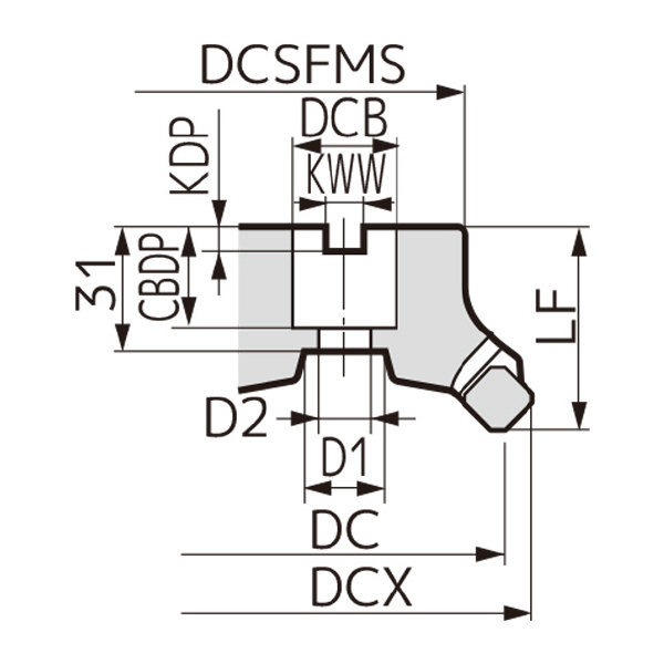
  • 刃径(mm):80・89(最大)
  • 最大切込み量(mm):4
  • 切込み角(°):45
  • すくい角(°):-10~-19(半径方向)・20(軸方向)
  • 勝手[記号]:右[R]
  • 刃数(枚):6
  • 適用インサート:SE□T 0903AG□N-□
  • 重量(kg):1.1
  • 仕様:インチ
  • Fig:1
  • インサート内接円サイズ記号:3
  • カッタ径記号:080
  • ボスDCSFMS(mm):60
  • ボルトD1(mm):-
  • 型式記号:WGC
  • 穴径DCB(mm):25.4
  • 溝深さKDP(mm):6
  • 溝幅KWW(mm):9.5
  • 高さLF(mm):50
  • 取付深さCBDP(mm):25
  • 内接円寸法(mm):9.525
  • 被削材:鋼/ステンレス鋼/鋳鉄/非鉄金属/アルミニウム合金/難削材
注意事項
  • 本体にインサートは組み込んでありません。
  • 本体のアーバへの締付けには、JIS B1176「六角穴付きボルト」(M12×30~35mm)をご使用ください。
内容品・付属品 ●ねじ:BFTX0307IP(2.0N・m)●レンチ:TRDR10IP●焼付き防止剤:SUMI-P
原産国
特記事項

この商品を見た人はこちらの商品も見ています