住友電気工業(株)

SEC-ウェーブミル カッタ WGC3040RS

  • 型番:WGC3040RS
  • 発注コード:UIU13
  • メーカー商品コード:2900555
  • JANコード:―
商品一覧へ
(サイズ・色違いなど)

仕切価格
標準価格 \37,000
 
注文単位 1個
  • ※12/17 23:30 時点の情報です

※1/1に下記価格に改定予定です

仕切価格
標準価格 \38,900

用途 ●平面削り用
商品説明
商品スペック
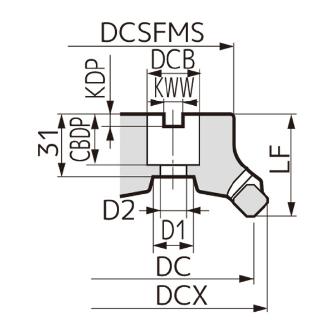
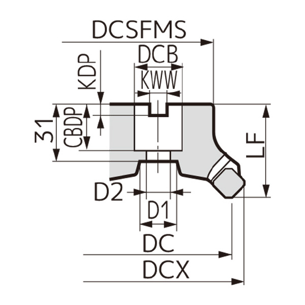
  • 規格:メトリック
  • 型式記号:WGC
  • 内接円IC(mm):9.525
  • インサート内接円サイズ記号:3
  • 勝手[記号]:右[R]
  • カッタ径記号:040
  • すくい角(°):-10~-19(半径方向)・20(軸方向)
  • ボスDCSFMS(mm):32
  • ボルトD1(mm):14
  • ボルトD2(mm):9
  • 穴径DCB(mm):16
  • 溝深さKDP(mm):5.6
  • 溝幅KWW(mm):8.4
  • 最大切込み量(mm):4
  • 取付け方式記号:S
  • 取付深さCBDP(mm):18
  • 刃径(mm):40
  • 最大刃径DCX(mm):49
  • 刃数(枚):4
  • 切込み角(°):45
  • 高さLF(mm):40
  • 重量(kg):-
  • 適用インサート:SE□T 0903AG□N-□
  • 適用加工:溝削り○/平面汎用◎
  • 被削材:P(一般鋼◎/炭素鋼◎/合金鋼◎/調質鋼・ダイス鋼◎)・M(ステンレス鋼◎)・K(鋳鉄◎/ダクタイル鋳鉄◎)・N(CFRP◎/グラファイト◎/銅合金◎)・S(Ti合金◎/耐熱合金◎)
  • エンドミル適用加工:平面◎
  • Fig:1
注意事項
  • 本体にインサートは組み込んでありません。
内容品・付属品 ●ねじ:BFTX0307IP(2.0N・m)●レンチ:TRDR10IP●焼付き防止剤:SUMI-P
原産国
特記事項

この商品を見た人はこちらの商品も見ています