サンドビック(株)

コロカット1-2 シャンクバイト 【F】 LF123G07-2525C

  • 型番:LF123G07-2525C
  • 発注コード:UGV50
  • メーカー商品コード:11366611
  • JANコード:―
商品一覧へ
(サイズ・色違いなど)

仕切価格
標準価格 \20,600
 
注文単位 1個
  • ※12/15 23:30 時点の情報です

※1/1に下記価格に改定予定です

仕切価格
標準価格 \21,300

用途 ●突切り・溝入れ加工用に。
商品説明
  • 高いクランプ剛性の突切り・溝入れ用シャンクホルダ。
  • 独自のレールロックシートとV形シートで、横方向の切削力をしっかり受け止め、高い安定性をもたらします。(特許取得済)
商品スペック
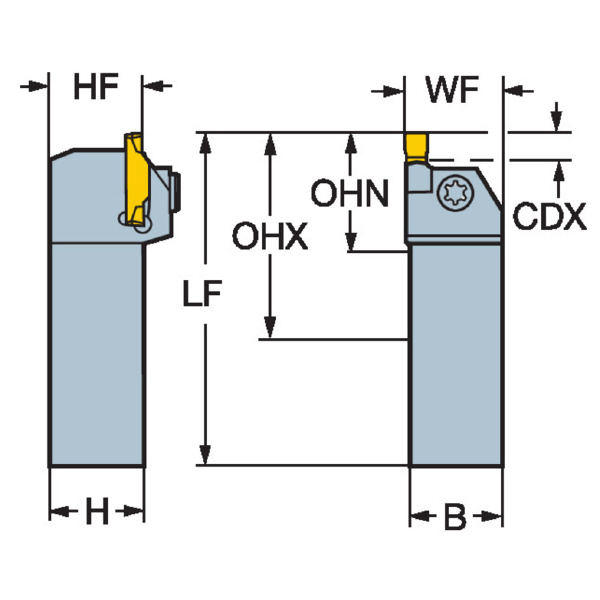
  • 適応インターフェース(機械側)ADINTMS:Rectangular shank -metric: 25 x 25
  • シャンク幅(mm):25
  • 本体角度(ワーク側)BAWS(°):0
  • 最大溝深さ(mm):7
  • クーラントインレットスタイルCNSC:0: without coolant
  • 切削工具インターフェース識別子のパート2 CUTINTMASTER:CoroCut 2 -size G (N123G2-0300-0003-TF)
  • クーラントアウトレットスタイルCXSC:0: no coolant exit
  • 勝手[記号]:L
  • 機能長さLF(mm):150
  • 最大突出し量OHX(mm):52
  • シートサイズSSC:G
  • 重量WT(kg):0.702
  • スクリュー:3212 012-310
  • トルクレンチ:5680 105-05
  • ビット:5680 043-15、5680 084-23
注意事項
内容品・付属品
原産国 スウェーデン
特記事項

この商品を見た人はこちらの商品も見ています