(株)日研工作所

ボーリング用ベースホルダ NBT30-Q26-40

  • 型番:NBT30-Q26-40
  • 発注コード:UAW79
  • メーカー商品コード:NBT30-Q26-40
  • JANコード:―
商品一覧へ
(サイズ・色違いなど)

仕切価格
標準価格 \19,110
 
注文単位 1個
  • ※12/14 23:20 時点の情報です


用途
商品説明
  • ボーリング用ベースホルダです。
商品スペック
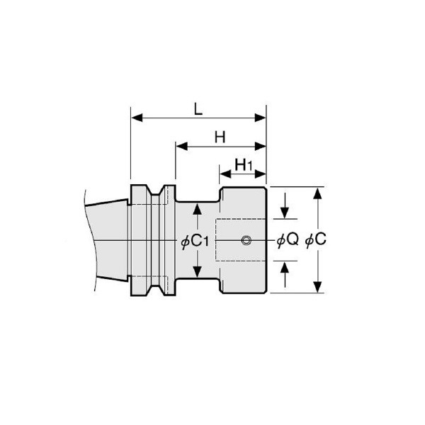
  • テーパ:No.30
  • 接続ボルトNo.:B26
  • 重量(kg):0.5
  • C(mm):50
  • C1(mm):45
  • Fig.:3
  • H(mm):18
  • H1(mm):6
  • L(mm):40
  • ドッキング径Q(mm):26
注意事項
  • シャンク径は、剛性UPの為、50になりました。
  • スルーホール付きです。
内容品・付属品 ●接続ボルト●レンチ
原産国
特記事項

この商品を見た人はこちらの商品も見ています