ダイキン工業(株)

モジュラースタック形リリーフ弁 MR-03A-3-45

  • 型番:MR-03A-3-45
  • 発注コード:TPT15
  • メーカー商品コード:MR-03A-3-45
  • JANコード:―
商品一覧へ
(サイズ・色違いなど)

仕切価格
標準価格 ¥67,500
 
注文単位 1個
  • ※3/15 23:20 時点の情報です


用途
商品説明
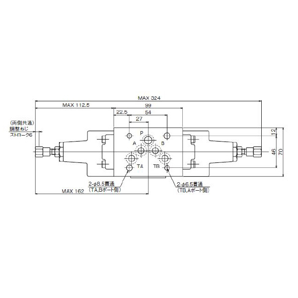
  • 03シリーズスタック形のA・Bポートリリーフ弁です。
商品スペック
  • 種類:モジュラースタック形リリーフ弁
  • 呼び径:3/8
  • 適合流体:石油系作動油/水・グリコール系作動油
  • デザイン番号:45
  • 圧力調整範囲:3.5~25MPa(35~250kgf/cm2)
  • 制御ポート:Aポート
注意事項
  • タンクポートの背圧は、0.5MPa(5㎏f/cm2)以下にしてください。
  • リモートコントロール用直動形リリーフ弁と組み合わせて使用する場合は、ベントポートに接続してください。なお、パイロット管路の内部容積が大きすぎると振動を起こすことがありますので、内径4mm以下の厚肉鋼管で配管してください。
  • 安全弁として使用する場合は、回路の設定圧力より1~1.5MPa(10~15㎏f/cm2)高く設定してください。
  • ハイベント形を使用すると、アンロードからオンロードへの切換時間を短縮できます。
内容品・付属品
原産国
特記事項

この商品を見た人はこちらの商品も見ています