おすすめキーワード
キーワードランキング
検索履歴
カテゴリー
メーカー
該当する販売店・事業所はありません
1~10件
※12/15 23:30 時点の情報です
ER20型テーパコレット(RF414型用)
カトウ工機(株)
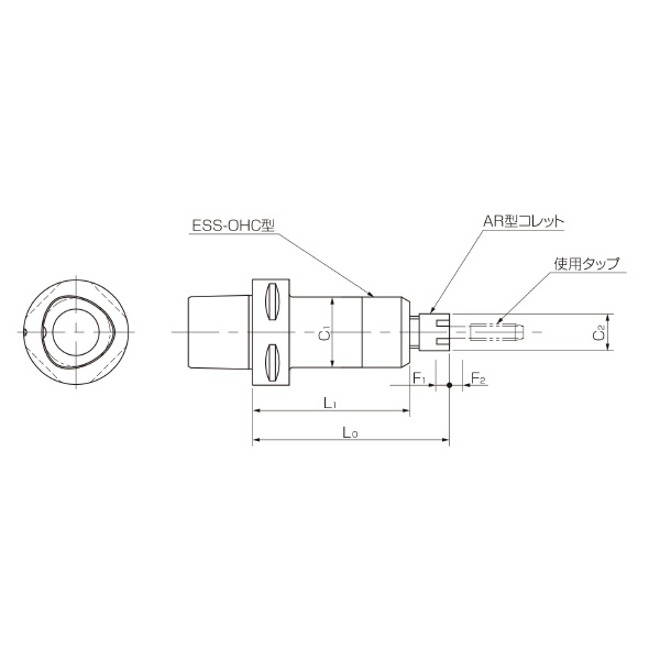
ESS-OHC型タッパー HSK-ESS-OHC
ER8型テーパコレット(RF103型用)
ER11型テーパコレット(RF306型,DBR型用)
インターフェースユニット MG40
(株)マグネスケール
エアーリフター DZ175
延長ケーブル CE38
ESS型タッパー HSK-ESS
エアーリフター DZ174
接続ケーブル CH01
インターフェースユニット MG80
AR16-GH型角穴付きテーパコレット(ESS412-OHC型用)
スクエアブロック 単品4個 SQB
(株)nji
HA-M-OHC型タッパー HSK-HA-M-OHC
HA-M-OHC型タッパー C-HA-M-OHC
ウォータースイベル 湿式用ウォータースイベルCロッドネジ
(株)コンセック
変換アダプタ DZ
表示器 LT20A
テスキー C型
エヌシキ
レンチ用ソケット NPK用
(株)マルテイ
ログインを行ってください。
該当する商品の在庫はありません。
フォルダ新規作成
エラーメッセージエラーメッセージエラーメッセージエラーメッセージ
フォルダ選択
お気に入り登録しました
該当するユーザーはありません。