カトウ工機(株)

ESS-OHC型タッパー C3-ESS412-OHC

  • 型番:C3-ESS412-OHC
  • 発注コード:TOU80
  • メーカー商品コード:ESS-0016
  • JANコード:―
商品一覧へ
(サイズ・色違いなど)

仕切価格
標準価格 \64,300
 
注文単位 1個
  • ※12/15 23:30 時点の情報です


用途
商品説明
  • 同期制御加工機専用
  • マイクロフロート(R)タッパー(微少伸縮付き)
  • 超硬タップに対応
  • 高速タッピングに対応
  • 高圧センタークーラントスルー給油対応(7MPaまで)
  • 別売オプション:AR型コレット(AR16-GB・AR16-GH)、専用スパナ(AE16M)
商品スペック
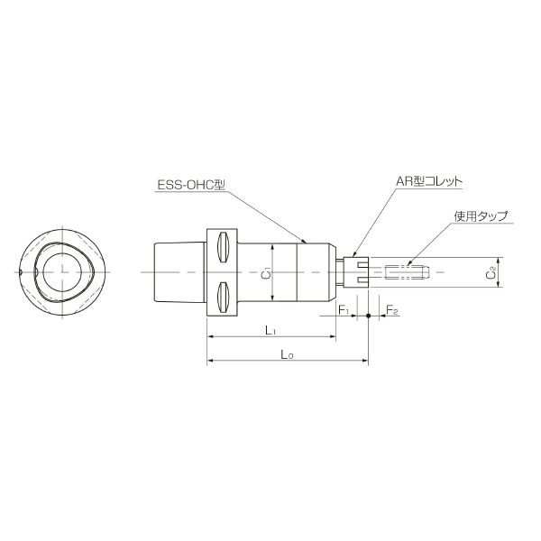
  • テーパ:C3
  • 寸法L0(mm):117.3
  • 寸法L1(mm):93.7
  • 寸法C1(mm):42
  • 寸法C2(mm):22
  • 寸法F1(mm):0.5(縮み量)
  • 寸法F2(mm):0.5(伸び量)
  • 能力範囲:M4~M12
注意事項
  • 油穴付きタップをご使用下さい。
内容品・付属品 ●ナット
原産国
特記事項

この商品を見た人はこちらの商品も見ています