住友電気工業(株)

SEC-ウェーブラジアスミル カッタ WRCX16063RS

  • 型番:WRCX16063RS
  • 発注コード:TGP70
  • メーカー商品コード:2200AAW
  • JANコード:―
商品一覧へ
(サイズ・色違いなど)

仕切価格
標準価格 \56,800
 
注文単位 1個
  • ※12/18 23:30 時点の情報です

※1/1に下記価格に改定予定です

仕切価格
標準価格 \59,600

用途 ●ラジアス用
商品説明
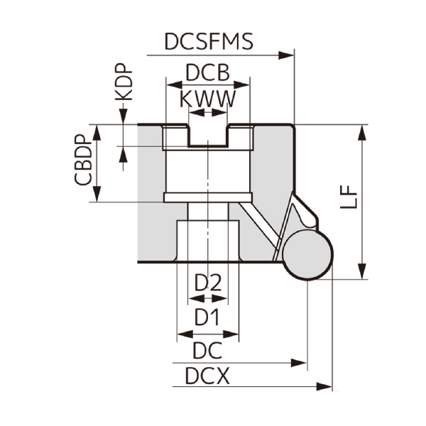
商品スペック
  • 商品タイプ:標準ピッチ
  • 規格:メトリック
  • 型式記号:WRCX
  • 内接円IC(mm):16.0
  • インサート内接円サイズ記号:16
  • 勝手[記号]:右[R]
  • カッタ径記号:063
  • すくい角(°):0(半径方向)・-3(軸方向)
  • ボスDCSFMS(mm):50
  • ボルトD1(mm):18
  • ボルトD2(mm):11
  • 穴径DCB(mm):22
  • 溝深さKDP(mm):6.3
  • 溝幅KWW(mm):10.4
  • 最大切込み量(mm):8
  • 取付け方式記号:S
  • 取付深さCBDP(mm):20
  • 刃径(mm):47
  • 最大刃径DCX(mm):63
  • 刃数(枚):3
  • 高さLF(mm):40
  • 重量(kg):0.4
  • 適用インサート:QP□T 1606○○ PP□□/PP□□-□/□□
  • 適用加工:溝削り○/彫り込み◎/平面汎用◎/倣い◎
  • 被削材:P(一般鋼◎/炭素鋼◎/合金鋼◎/調質鋼・ダイス鋼◎)・M(ステンレス鋼◎)・K(鋳鉄◎/ダクタイル鋳鉄◎)・N(アルミニウム合金◎)
  • エンドミル適用加工:ヘリカル◎/隅削り◎/傾斜◎/溝◎/平面◎/倣い◎
  • Fig:1
注意事項
  • 本体にインサートは組み込んでありません。
内容品・付属品 ●皿ねじ:BFTX0511IP(5.0N・m)●レンチ:TRDR20IP●焼付防止剤:SUMI-P
原産国
特記事項

この商品を見た人はこちらの商品も見ています