ダイキン工業(株)

ピストンポンプ W-V15A2RX-95

  • 型番:W-V15A2RX-95
  • 発注コード:SHK18
  • メーカー商品コード:W-V15A2RX-95
  • JANコード:―
商品一覧へ
(サイズ・色違いなど)

仕切価格
標準価格 ¥308,000
 
注文単位 1個
  • ※3/16 23:30 時点の情報です


用途
商品説明
  • 全圧力域にわたり低騒音化を実現しています。
  • 損失動力が小さいため、油温上昇を低減できるので、タンク容量を小さくできます。
  • 高応答、高安定性、長寿命を有するので、主機の信頼性を向上させることが可能です。
商品スペック
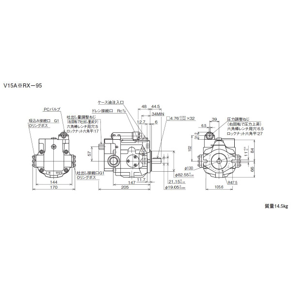
  • 商品タイプ:ピストンポンプ
  • ポンプ容量(cm3/rev):14.8
  • 圧力調整範囲(MPa):[2]圧力調整範囲表参照
  • 制御方式:プレッシャコンペンセータ制御/リモートコントロール制御無
  • 適合流体:水・グリコール系作動油
  • 配管接続方向:サイドポート
  • デザイン番号:ポンプ形式V15/V38
  • 軸の回転方向(軸端より見て):時計方向(右回転)
注意事項
  • 右回転と左回転の組替えはできません。
内容品・付属品
原産国
特記事項

この商品を見た人はこちらの商品も見ています