ダイキン工業(株)

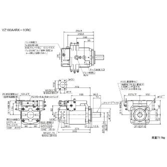
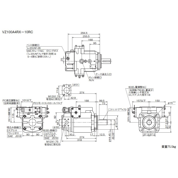
ピストンポンプ VZ100A4RX-10RC

  • 型番:VZ100A4RX-10RC
  • 発注コード:SHG66
  • メーカー商品コード:VZ100A4RX-10RC
  • JANコード:―
商品一覧へ
(サイズ・色違いなど)

仕切価格
標準価格 \1,304,000
 
注文単位 1個
  • ※12/15 23:30 時点の情報です


用途
商品説明
  • クレードル斜板の採用で、小形軽量化と高圧化を両立し、単位重量当たりの出力が向上しています。
  • 斜板構造の剛性を高めるとともに最新の計測、解析技術を駆使したハウジング形状によって、騒音が大幅に低下しています。
  • 球面弁板と最適な油圧バランスにより広範囲の運転条件のもとで安定し、かつ高い効率が得られます。
  • 耐摩耗性に優れた球面弁板の採用により耐コンタミナントが強化されています。
商品スペック
  • 商品タイプ:ピストンポンプ
  • ポンプ容量(cm3/rev):104.6
  • 圧力調整範囲(MPa):2~28
  • 制御方式:プレッシャコンペンセータ制御、リモートコントロール制御有
  • 配管接続方向:サイドポート
  • 圧力調整範囲(kgf/cm2):20~280
  • デザイン番号:10
  • 軸の回転方向(軸端より見て):時計方向(右回転)
注意事項
  • ポンプにフート、配管フランジは付属しません。
内容品・付属品
原産国
特記事項

この商品を見た人はこちらの商品も見ています