ダイキン工業(株)

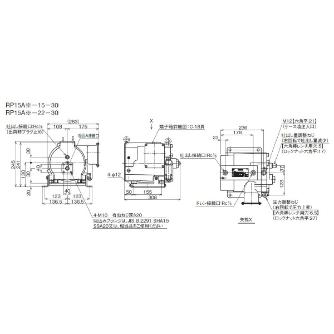
ロータポンプ RP15A2-22Y-30

  • 型番:RP15A2-22Y-30
  • 発注コード:SGN05
  • メーカー商品コード:RP15A2-22Y-30
  • JANコード:―
商品一覧へ
(サイズ・色違いなど)

仕切価格
標準価格 ¥758,000
 
注文単位 1個
  • ※3/16 23:30 時点の情報です


用途
商品説明
  • 独自の低騒音化技術を採用し、騒音レベル10~15dB(当社比)の大幅削減と音質改善を実現しました。
  • 一体化構造により、従来製品より約40%(当社比)も全長を短縮。取扱いが容易になり、主機の小型化に最適です。
  • 脈動も従来製品より約50%(当社比)低減しています。
  • シャフトが外に出ていない密閉構造のため、オイルシールは不要。油漏れの心配がありません。
  • 電動機の油冷構造によりコイルの温度上昇が少なく、長時間の過負荷連続運転を可能にしました。
  • IP54の端子箱を備え、国際規格(EN60034-1、他)に準拠していますので、欧州全規格(CE)対応機器として最適です。
商品スペック
  • 商品タイプ:ロータポンプ
  • ポンプ容量(cm3/rev):14.8
  • 圧力調整範囲(MPa):1.5~14
  • 制御方式:プレッシャコンペンセータ制御/リモートコントロール制御無
  • デザイン番号:30
  • ポンプ据付:フート取付
  • 電圧(V):AC380(50/60Hz)・AC400(50Hz)・AC415(50Hz)・AC440(60Hz)・AC460(60Hz)
  • 電動機出力(kW):2.2
注意事項
  • ポンプに配管フランジは付属しません。
内容品・付属品
原産国
特記事項

この商品を見た人はこちらの商品も見ています