ダイキン工業(株)

直動形リリーフ弁 リモートコントロール用 MRV-S2-3-10

  • 型番:MRV-S2-3-10
  • 発注コード:SGE38
  • メーカー商品コード:MRV-S2-3-10
  • JANコード:―
商品一覧へ
(サイズ・色違いなど)

仕切価格
標準価格 \46,600
 
注文単位 1個
  • ※12/16 23:30 時点の情報です


用途
商品説明
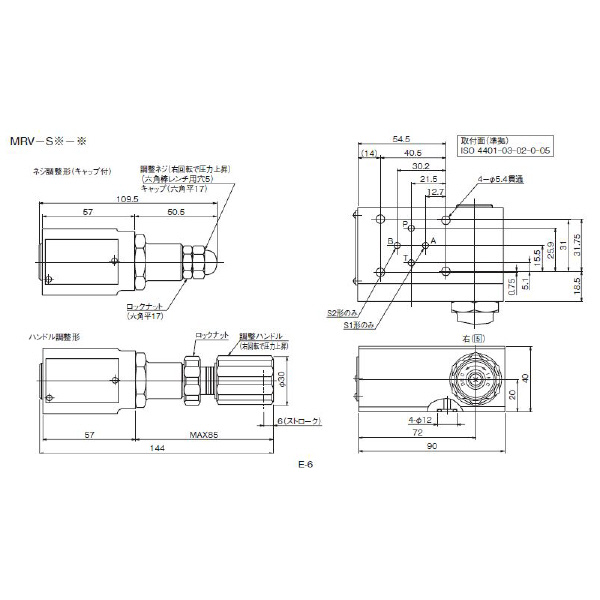
  • 電磁操作弁とともに積層して使用し、リリーフ弁、減圧弁などのパイロット作動形圧力制御弁のベントポートに接続して、遠隔操作を行う場合に使用します。
  • 電磁操作弁の切り換えにより、多段圧力(3圧まで)の制御を自由に選択できます。
  • スタック形取付(ISO 4401に準拠)により、取付スペースが大幅に小さくなり、複雑な配管、マニホールドブロックが不要になります。
商品スペック
  • 種類:直動形リリーフ弁(スタック形)
  • 適合流体:石油系作動油、水・グリコール系作動油
  • デザイン番号:10
  • 圧力調整機構/圧力調整範囲:画像を参照してください。
  • 内蔵リリーフ弁個数:1個
  • 内蔵リリーフ弁制御ポート:画像を参照してください。
注意事項
  • タンク配管は、他のタンク配管と合流せず、直接タンクへ接続してください。
  • パイロットラインの配管内部容積が大きすぎると振動を起こすことがありますので、内径4mm以下の厚肉鋼管で配管してください。
  • 弁に取付ボルトは付属しません。
内容品・付属品
原産国
特記事項

この商品を見た人はこちらの商品も見ています