ダイキン工業(株)

ダイレクト形電磁比例切換弁 KSP-G03-2C4-10

  • 型番:KSP-G03-2C4-10
  • 発注コード:SEV87
  • メーカー商品コード:KSP-G03-2C4-10
  • JANコード:―
商品一覧へ
(サイズ・色違いなど)

仕切価格
標準価格 \380,000
 
注文単位 1個
  • ※12/15 23:30 時点の情報です


用途
商品説明
  • 4方向の比例切換弁ですので、アクチュエータの往復行程の制御が可能です。
  • 本弁単独で、ショックレス切換弁として使用できます。
商品スペック
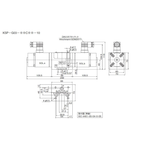
  • 種類:電磁比例切換弁
  • 接続方法:ガスケット取付形
  • 呼び径:3/8
  • 適合流体:石油系作動油
  • スプール作動方式:画像を参照してください。
  • スプール形式:画像を参照してください。
  • デザイン番号:10
  • 定格流量(1ランド差圧 ΔP=1MPa(10kgf/cm2)時:40L/min
注意事項
  • タンク配管は、他のタンク配管と合流せず、直接タンクへ接続してください。
  • 本弁の入力電圧-流量特性は、機差のためばらつきがあります。同一形式の弁をご使用の場合でも、流量の微調整は、弁ごと個々に調整してください。専用ドライバのMAX、MINトリマにて、最大値、最小値を調整することにより、ばらつき量を修正可能です。
  • 差動トランスの零点調整ねじは、出荷時に調整済みですので、さわらないでください。
内容品・付属品
原産国
特記事項

この商品を見た人はこちらの商品も見ています