ダイキン工業(株)

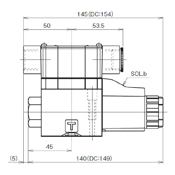
電磁操作弁 KSO-G02-3BP-30-N-66H

  • 型番:KSO-G02-3BP-30-N-66H
  • 発注コード:SEK16
  • メーカー商品コード:KSO-G02-3BP-30-N-66H
  • JANコード:―
商品一覧へ
(サイズ・色違いなど)

仕切価格
標準価格 ¥67,500
 
注文単位 1個
  • ※3/16 23:30 時点の情報です


用途 ●DC電源用
商品説明
  • 35MPa{350kgf/cm2}、100L/min(G02)、160L/min(G03)の高圧・大流量を実現しました。
  • IEC Pub529 IP65に準拠した防塵・防水構造に加え、欧州安全規格(CE)対応用機器として最適です。
商品スペック
  • 種類:Kシリーズ電磁操作弁
  • 接続方法:ガスケット取付形
  • 呼び径:1/4
  • 適合流体:水・グリコール系作動油
  • スプール作動方式:スプリングオフセット形(SOL.b付)
  • スプール形式:[3]モデル表参照
  • 電圧記号:[P]ソレノイド仕様表参照
  • オプション記号:[N]オプション記号表参照
  • デザイン番号:[呼び径]02(1/4)
  • 外被の保護形式:IEC Pub529 IP65
  • 許容背圧(Mpa{kgf/cm2}):17.5{175}
  • 最高使用圧力(Mpa{kgf/cm2}):35{350}
  • 最大流量(L/min):100
  • 補助スプール形式:[66H]モデル表参照
注意事項
  • 取付ボルトは付属しません。
内容品・付属品 ●M5×45
原産国
特記事項

この商品を見た人はこちらの商品も見ています