(株)日研工作所

ボーリング用ベースホルダ NC5-63-Q20-80

  • 型番:NC5-63-Q20-80
  • 発注コード:SEJ78
  • メーカー商品コード:NC5-63-Q20-80
  • JANコード:―
商品一覧へ
(サイズ・色違いなど)

仕切価格
標準価格 \22,790
 
注文単位 1個
  • ※12/14 23:20 時点の情報です


用途
商品説明
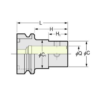
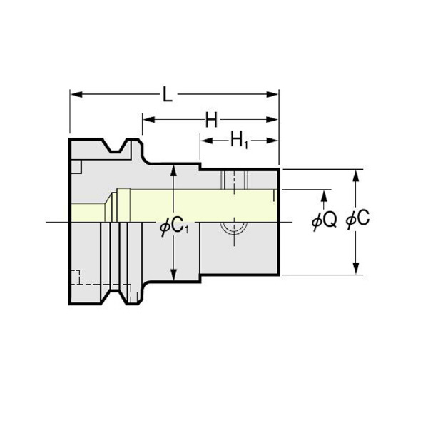
  • ボーリング用ベースホルダです。
商品スペック
  • テーパ:NC5-63
  • 接続ボルトNo.:B20
  • 重量(kg):2.0
  • C(mm):40
  • C1(mm):50
  • Fig.:2
  • H(mm):48
  • H1(mm):27
  • L(mm):80
  • ドッキング径Q(mm):20
注意事項
  • スルーホール付きです。
内容品・付属品 ●接続ボルト●レンチ
原産国
特記事項

この商品を見た人はこちらの商品も見ています