(株)ムラキ

ディキシ 超硬エンドミル 7552 10R1.5

  • 型番:7552 10R1.5
  • 発注コード:SDK33
  • メーカー商品コード:22208100
  • JANコード:4526587080397
商品一覧へ
(サイズ・色違いなど)

仕切価格
標準価格
 
注文単位 1個
  • ※12/15 23:30 時点の情報です


用途 ●アルミ加工用
商品説明
  • 超高速切削で能率と加工面粗さの飛躍的な向上!
  • 画期的な速い切削速度と送りで高能率加工ができます。
  • 高速回転専用の刃先形状によるシャープな切れ味。
  • 加工面精度の大幅な向上がはかれます。
  • 独自の形状による優れた切屑排出性。
  • 2枚刃コーナーR。
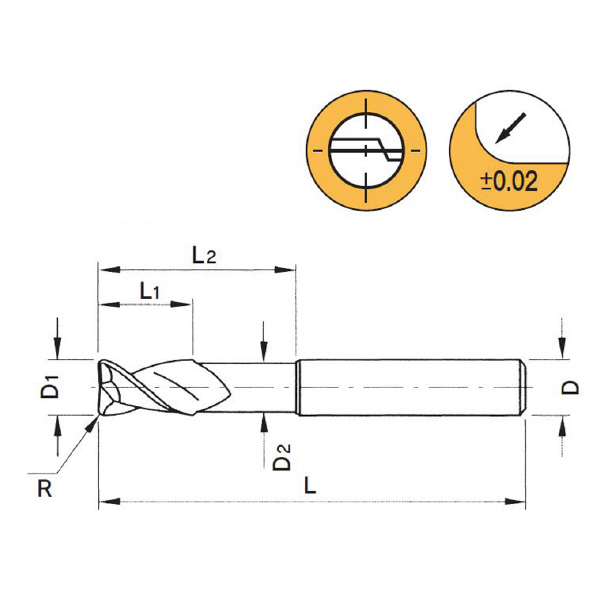
商品スペック
  • 外径(mm):10.0
  • 外径公差:e8
  • ねじ長(mm):11.0
  • シャンク径(mm):10
  • シャンク径公差:h5
  • 全長(mm):75
  • D2(mm):9.25
  • ねじれ角(°):40
  • R:1.50
  • 刃数(枚):2
注意事項
内容品・付属品
原産国
特記事項

この商品を見た人はこちらの商品も見ています