ダイキン工業(株)

チェック弁付圧力制御弁 JQC-F06-2C-20

  • 型番:JQC-F06-2C-20
  • 発注コード:PYR45
  • メーカー商品コード:JQC-F06-2C-20
  • JANコード:―
商品一覧へ
(サイズ・色違いなど)

仕切価格
標準価格 \105,000
 
注文単位 1個
  • ※12/18 23:30 時点の情報です


用途
商品説明
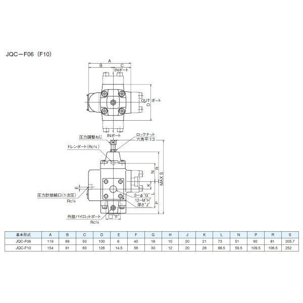
  • 内部または外部のパイロット、ドレンの組合せにより、シーケンス弁、アンロード弁、カウンタバランス弁、リリーフ弁として使用できる直動形の圧力制御弁です。
商品スペック
  • 種類:JQ形圧力制御弁
  • 接続方法:フランジ接続形
  • 呼び径:3/4
  • 適合流体:石油系作動油、水・グリコール系作動油
  • オプション:シングルパイロット形(内部または、外部パイロット形)
  • チェック弁:有
  • デザイン番号:20
  • 圧力調整範囲(MPa{kgf/cm2}):0.85~3.5{8.5~35}
  • 機能記号:【2】 JIS油圧図記号参照
注意事項
  • 圧力調整範囲は、クラッキング圧力で表示しています。
  • 機能記号1、4形(内部ドレン形)の2次側圧力ポートは、直接タンクへ接続してください。
  • 機能記号2、3形(外部ドレン形)のドレンポートは、直接タンクへ接続してください。
  • 圧力調整範囲E形の場合は、機能記号1形(内部パイロット形/内部ドレン形)へ組み替えないようにしてください。チャタリングが発生する可能性があります。
  • この弁を2個以上使用して、順次作動させる場合は、設定圧力の差を1MPa{10kgf/cm2}以上にしてください。
内容品・付属品 ●フランジ(JIS B 2291 SSA)●Oリング●取付ボルト
原産国
特記事項

この商品を見た人はこちらの商品も見ています