ダイキン工業(株)

圧力スイッチ JPS-1P-10-CL

  • 型番:JPS-1P-10-CL
  • 発注コード:PYR33
  • メーカー商品コード:JPS-1P-10-CL
  • JANコード:―
商品一覧へ
(サイズ・色違いなど)

仕切価格
標準価格 \57,900
 
注文単位 1個
  • ※12/15 23:30 時点の情報です


用途
商品説明
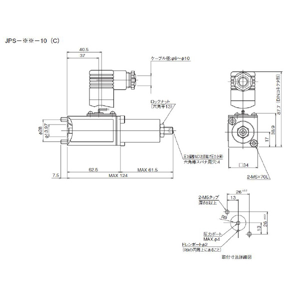
  • 油圧回路の圧力を検出して、電気回路のON-OFFを行います。
商品スペック
  • 種類:Jシリーズ圧力スイッチ
  • 適合流体:石油系作動油
  • 電圧(V):DC24
  • オプション記号:DINコネクタ形(ランプ付)・配線口PG11
  • デザイン番号:10
  • 圧力調整範囲(MPa{kgf/cm2}):0.5~7{5~70}
注意事項
  • 電磁操作弁(DCソレノイド)を直接切り換える場合は、サージキラ付電磁操作弁を使用してください。
内容品・付属品
原産国
特記事項

この商品を見た人はこちらの商品も見ています