おすすめキーワード
キーワードランキング
検索履歴
カテゴリー
メーカー
該当する販売店・事業所はありません
1~10件
※4/29 23:20 時点の情報です
モジュラースタック形絞り弁 MT
ダイキン工業(株)
モジュラースタック形減圧弁 MG
踏台 CWX
アルインコ(株)
ロータパック NDR
モジュラースタック形パイロットチェック弁 MP
マニホールドブロック BT
内径レンチ IPW
(株)MCCコーポレーション
減圧弁 JGB-T
ネステナー 逆ネステナー
エレクター(株)
モータポンプ M
コレット/スリムラインMINI CS
(株)MSTコーポレーション
潤滑303
(株)イチネンケミカルズ
取付ボルト(4本入り) HB
ラチェットレンチ RW
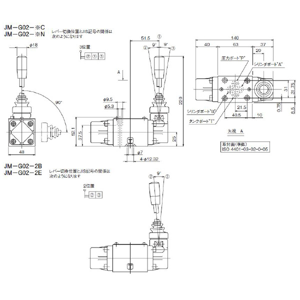
手動操作弁 DMO
食品機械用潤滑剤 NSF-H1、3H
取付ボルト(2本入り) SB
取付ボルト(4本入り) SB
脚付パイプバイス 白管用 VL
ラチェットレンチミガキショート RWM
ログインを行ってください。
該当する商品の在庫はありません。
フォルダ新規作成
エラーメッセージエラーメッセージエラーメッセージエラーメッセージ
フォルダ選択
お気に入り登録しました
該当するユーザーはありません。