ダイキン工業(株)

チェック弁付流量調整弁 圧力・温度補償付 JFC-G02-30-15-LN

  • 型番:JFC-G02-30-15-LN
  • 発注コード:PYQ66
  • メーカー商品コード:JFC-G02-30-15-LN
  • JANコード:―
商品一覧へ
(サイズ・色違いなど)

仕切価格
標準価格 ¥139,000
 
注文単位 1個
  • ※5/14 23:30 時点の情報です


用途
商品説明
  • 圧力・温度補償付きのため、負荷圧力および油温が変化しても、設定した流量は一定に保たれます。
  • 微少流量から大流量まで制御できます。
  • 流量調整ハンドルが4回転しますので微調整、再設定が容易にできます。
  • 流量調整ハンドルロック用キー、ジャンピング防止機構等のオプションを用意しています。
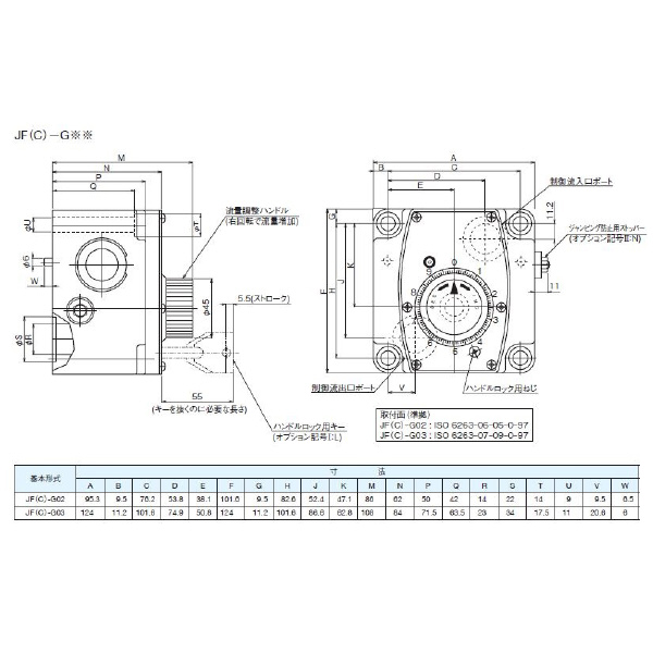
商品スペック
  • 種類:Jシリーズ流量調整弁
  • 接続方法:ガスケット取付形
  • 呼び径:1/4
  • 適合流体:石油系作動油/水・グリコール系作動油
  • オプション記号:ジャンピング防止機構付
  • オプション記号:流量調整ハンドルロック用キー付
  • チェック弁記号:チェック弁付
  • デザイン番号:15
  • 最大制御流量:30L/min
注意事項
  • 良好な圧力補償性能を得るために、入口と出口の圧力差を1MPa(10kgf/cm2)以上にしてください。
内容品・付属品 ●六角穴付ボルト(M8×55)×4
原産国
特記事項

この商品を見た人はこちらの商品も見ています