ダイキン工業(株)

直動形リリーフ弁 リモートコントロール用 CR-G02P-1-10-F

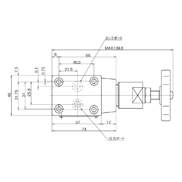
  • 型番:CR-G02P-1-10-F
  • 発注コード:PWQ46
  • メーカー商品コード:CR-G02P-1-10-F
  • JANコード:―
商品一覧へ
(サイズ・色違いなど)

仕切価格
標準価格 ¥52,800
 
注文単位 1個
  • ※3/17 23:30 時点の情報です


用途
商品説明
  • リリーフ弁、減圧弁などのパイロット作動形圧力制御弁のベントポートに接続して、遠隔操作を行う場合に使用します。
商品スペック
  • 種類:直動形リリーフ弁
  • 接続方法:ガスケット取付形
  • 呼び径:1/4
  • 適合流体:石油系作動油/水・グリコール系作動油
  • オプション記号:キャップ付ねじ調整形
  • デザイン番号:10
  • 圧力調整範囲:1.5~7MPa(15~70kgf/cm2)
  • 制御ポート:Pポート制御
注意事項
  • タンク配管は、他のタンク配管と合流せず、直接タンクへ接続してください。
  • パイロット管路の内部容積が大きすぎると振動を起こすことがありますので、内径4mm以下の厚肉鋼管で配管してください。
内容品・付属品 ●六角穴付ボルト(M5×40)×4
原産国
特記事項

この商品を見た人はこちらの商品も見ています