ダイキン工業(株)

モジュラースタック形パイロットチェック弁 MPD-06A-50-30

  • 型番:MPD-06A-50-30
  • 発注コード:PSL23
  • メーカー商品コード:MPD-06A-50-30
  • JANコード:―
商品一覧へ
(サイズ・色違いなど)

仕切価格
標準価格 ¥97,200
 
注文単位 1個
  • ※5/14 23:30 時点の情報です


用途
商品説明
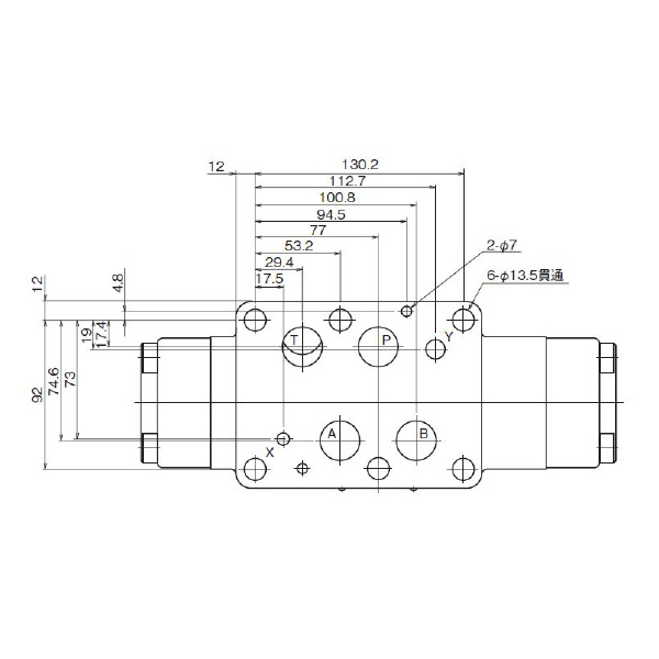
  • 06シリーズスタック形のパイロットチェック弁です。
商品スペック
  • 種類:モジュラースタック形パイロットチェック弁
  • 呼び径:3/4
  • 適合流体:石油系作動油/水・グリコール系作動油
  • クラッキング圧力記号:0.5MPa(5kgf/cm2)
  • デコンプレッション記号:デコンプレッション形
  • デザイン番号:30
  • 制御ポート:Aポート
注意事項
  • ドレン方式は、内部ドレン形です。
内容品・付属品
原産国
特記事項

この商品を見た人はこちらの商品も見ています