(株)ナベヤ

ハンディデジタル荷重計 HDK-50C 廃番

後継品
  • 型番:HDK-50C
  • 発注コード:PIQ70
  • メーカー商品コード:978839
  • JANコード:4904115788395
商品一覧へ
(サイズ・色違いなど)

仕切価格
標準価格 ¥136,000
 
注文単位 1個
  • ※4/29 23:20 時点の情報です


用途
商品説明
  • マシンバイス・油圧クランプ・チャックの締付力チェックができます。
  • センサーとデジタル表示部が一体で測定の邪魔をしません。
  • 小型・軽量で持ち運びが自由。
  • 乾電池駆動だからすぐ使用できます。
  • センサーと表示部は90度回転し表示方向を調整できます。
  • ブルドン管式荷重計やロードセル式荷重計より小型・軽量でコードレス。
  • 表示は1分でオートパワーオフする節電タイプです。
  • アタッチメントフラットタイプは大きな荷重の際のセンサー部の保護のために取付て使用ください。(HDK-120Cのみ)
  • アダプタープレートは垂直に荷重を加える際に使用してください。
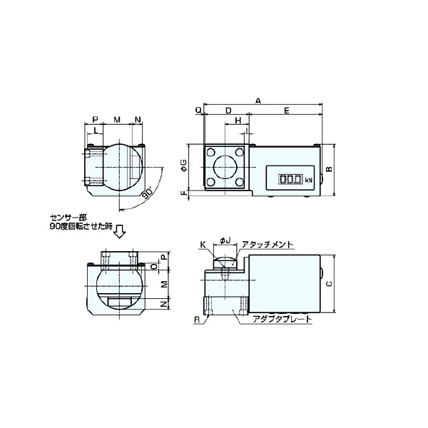
商品スペック
  • 外形サイズ:123X53.9X60
  • A:123
  • B:53.9
  • C:60
  • D:46
  • E:76
  • F:6
  • ΦG:48
  • H:25
  • I:5
  • J:24
  • K(並目):M8 × 1.25深さ8
  • L:16.5
  • M:30
  • N:11
  • O:6.9
  • P:19
  • Q:1
  • R(並目):M4X0.7
  • 質量(g): :800
  • 材質・表示部:硬質アルミ
  • 材質・センサー部:鋼材
  • 測定範囲(kN):0.5~50(最小表示単位0.1kN)
注意事項
内容品・付属品 ●アタッチメント球面タイプ(S50C.HRC50)×1個●アダプタープレート(S45C)×1個●マンガン乾電池(DC9V)動作確認用×1個
原産国
特記事項

この商品を見た人はこちらの商品も見ています