(株)ナベヤ

フレックスサポート FLS88R

  • 型番:FLS88R
  • 発注コード:PGF13
  • メーカー商品コード:970071
  • JANコード:4904115700717

仕切価格
標準価格 \104,000
 
注文単位 1個
  • ※12/15 23:30 時点の情報です


用途
商品説明
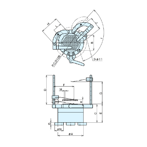
  • 三次元測定機で不安定なワークを計測する際に、容易にサポート・クランプができます。
  • 複雑な三次元曲面を169本のピンが自在にサポートするため段取り時間が短縮できます。
  • サポートピンの固定はクランプレーバー1本で行えます。
  • クランプ位置は、ワーク形状に合わせ上下左右自在に調整できます。
  • 複数個の使用により、長大ワークにも対応できます。
商品スペック
  • A:88
  • B:52.5
  • C:62
  • D:100
  • E:64
  • F:69
  • G:0~76
  • H:63.3
  • I:0~120°
  • J:45.7
  • K:15
  • L:31.4
  • M:4
  • N:30
  • O:9
  • 本体サイズ:φ88×62H
  • 最大積載荷重(kg):1.5
  • サポートピン:φ4×169本
  • 質量(kg):1.4
  • 材質(本体):A5052P
  • 材質(サポートピン):SUS304
  • ピン1本当りの反力(N):0.035~(ストローク0mm時)・0.16(ストローク15mm時)
  • バネ定数(N/mm):0.009
注意事項
内容品・付属品
原産国
特記事項

この商品を見た人はこちらの商品も見ています