サンドビック(株)

コロドリル860 【D】 860.1-1100-052A0-GM X1BM

  • 型番:860.1-1100-052A0-GM X1BM
  • 発注コード:P3D17
  • メーカー商品コード:7323224677609
  • JANコード:―
商品一覧へ
(サイズ・色違いなど)

仕切価格
標準価格 \27,400
 
注文単位 1個
  • ※12/13 23:20 時点の情報です

※1/1に下記価格に改定予定です

仕切価格
標準価格 \28,500

用途
商品説明
商品スペック
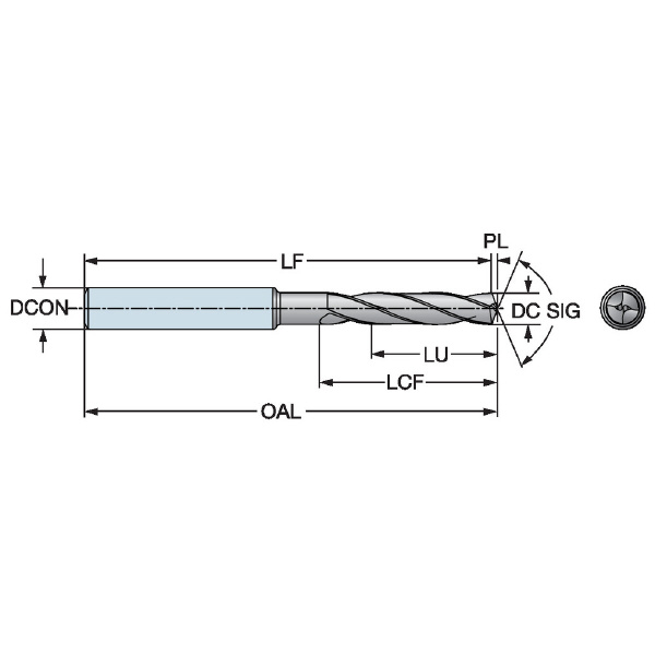
  • 適応インターフェース(機械側)ADINTMS:Cylindrical shank (DIN6535-HA) -metric: 12
  • クーラントインレットスタイルCNSC:0: without coolant
  • 工具径DC(mm):11
  • 接続径DCONMS(mm):12
  • 材種GRADE:X1BM
  • 機能長さLF(mm):115.998
  • 使用可能長さLU(mm):56
  • 全長OAL(mm):118
  • 最大回転速度RPMX(1/min):6656
  • 先端角SIG(°):140
  • 加工穴公差TCHA:H9
  • 被削材:鋼/鋳鉄/アルミ合金/高硬度鋼
  • 重量WT(kg):0.142
注意事項
内容品・付属品
原産国 中国
特記事項

この商品を見た人はこちらの商品も見ています