サンドビック(株)

コロドリル860 【D】 860.1-0700-022A0-GM X1BM

  • 型番:860.1-0700-022A0-GM X1BM
  • 発注コード:P2Z71
  • メーカー商品コード:7323224675711
  • JANコード:―
商品一覧へ
(サイズ・色違いなど)

仕切価格
標準価格 \13,700
 
注文単位 1個
  • ※12/13 23:20 時点の情報です

※1/1に下記価格に改定予定です

仕切価格
標準価格 \14,200

用途
商品説明
商品スペック
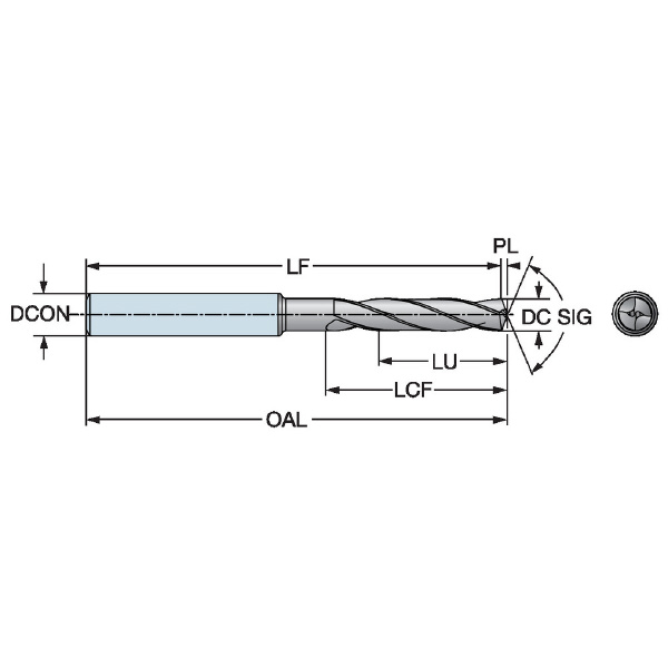
  • 適応インターフェース(機械側)ADINTMS:Cylindrical shank (DIN6535-HA) -metric: 8
  • クーラントインレットスタイルCNSC:0: without coolant
  • 工具径DC(mm):7
  • 接続径DCONMS(mm):8
  • 材種GRADE:X1BM
  • 機能長さLF(mm):77.8
  • 使用可能長さLU(mm):22.2
  • 全長OAL(mm):79
  • 最大回転速度RPMX(1/min):10459
  • 先端角SIG(°):140
  • 加工穴公差TCHA:H9
  • 被削材:鋼/ステンレス鋼/鋳鉄/アルミ合金/耐熱合金/高硬度鋼
  • 重量WT(kg):0.048
注意事項
内容品・付属品
原産国 中国
特記事項

この商品を見た人はこちらの商品も見ています