住友電気工業(株)

SEC-ウェーブミル カッタ WFXF12160R

  • 型番:WFXF12160R
  • 発注コード:ONM88
  • メーカー商品コード:2200AFF
  • JANコード:―
商品一覧へ
(サイズ・色違いなど)

仕切価格
標準価格 \146,000
 
注文単位 1個
  • ※12/18 23:30 時点の情報です

※1/1に下記価格に改定予定です

仕切価格
標準価格 \153,000

用途 ●隅削り・彫り込み・セミショルダー用
商品説明
商品スペック
  • 商品タイプ:エクストラファインピッチ
  • 規格:インチ
  • 型式記号:WFX
  • 内接円IC(mm):12.7
  • インサート内接円サイズ記号:12
  • 勝手[記号]:右[R]
  • カッタ径記号:160
  • すくい角(°):-8(半径方向)・8(軸方向)
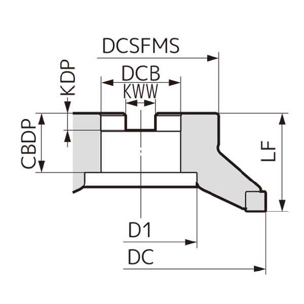
  • ボスDCSFMS(mm):100
  • ボルトD1(mm):72
  • ボルトD2(mm):-
  • 穴径DCB(mm):50.8
  • 溝深さKDP(mm):11
  • 溝幅KWW(mm):19.1
  • 最大切込み量(mm):10
  • 取付深さCBDP(mm):38
  • 刃径(mm):160
  • 刃数(枚):12
  • 切込み角(°):90
  • 高さLF(mm):63
  • 付加記号:F
  • 重量(kg):3.5
  • 適用インサート:SO□T 1204○○PD□R-□、XOEW 120408PDTR-W
  • 適用加工:肩削り◎/溝削り○/平面汎用○
  • 被削材:P(一般鋼◎/炭素鋼◎/合金鋼◎/調質鋼・ダイス鋼◎)・M(ステンレス鋼◎)・K(鋳鉄◎/ダクタイル鋳鉄◎)・N(CFRP◎/グラファイト◎/銅合金◎)・S(Ti合金○/耐熱合金○)
  • エンドミル適用加工:プランジ◎/隅削り◎/溝◎/側面◎/平面◎
  • Fig:4
注意事項
  • 本体にインサートは組み込んでありません。
内容品・付属品 ●敷板:WFXS4R●敷板用ねじ:BW0507F●インサート用ねじ:BFTX03512IP(3.0N・m)●レンチ:TRDR15IP●レンチ(敷板用):LH035●焼付防止剤:SUMI-P
原産国
特記事項

この商品を見た人はこちらの商品も見ています